このブログは@knight@のロボット・電子工作方面の活動を書いてるサイトです。
			
		×
[PR]上記の広告は3ヶ月以上新規記事投稿のないブログに表示されています。新しい記事を書く事で広告が消えます。
						わふー
とりあえず生きていることだけ報告します。
話すネタはないことないのですがtwitterしているとどうもそちら方面なりがちで困りますね
とりあえず今回の話のネタとしては
・フロム×バンプレ
「ACE」のまさかの新作「ACE R」
・今期のアニメ
・ラディッシュ
・pixiv活動、「ぴくゆり」とか
・近頃のアニメ映画状況
・メタルウルフカオスについて
という感じです
																				
														とりあえず生きていることだけ報告します。
話すネタはないことないのですがtwitterしているとどうもそちら方面なりがちで困りますね
とりあえず今回の話のネタとしては
・フロム×バンプレ
「ACE」のまさかの新作「ACE R」
・今期のアニメ
・ラディッシュ
・pixiv活動、「ぴくゆり」とか
・近頃のアニメ映画状況
・メタルウルフカオスについて
という感じです
PR
					
						○ロボット作成
<簡易報告>
ベース:KHR-1?
コントロールボード:12ch RCB-1 2個
電源:ニッケル水素電池 5セル 800mA
補足:一部ブランケットを自作(アルミ合金)
改造案:腰軸の追加、頭部・胴体は自作
<最終決定内容>
頭部は球体の発泡スチロール(φ30~40mm)を使用
胴体はそれに合わせた設計で行う
○電子工作「LED円盤時計」
時・分・秒の36個のLEDを使用
マイコン:16F886(28PIN)
スイッチ:2~4個
○電子工作「LED円盤時計Light」
時、分の24個のLEDで構成
マイコン:16F88or16F84A
スイッチ2個
○モータドライバ
使用IC:TA7291
動作ch数:1~2
○オリジナルロボット
使用サーボ:MICRO/2BBMG/JR
重量:1kg以下
大きさ:30cm?
関節数最低:14
通信:???
コントロールボード:自作予定
(以降いろいろ考え中)
					
																								<簡易報告>
ベース:KHR-1?
コントロールボード:12ch RCB-1 2個
電源:ニッケル水素電池 5セル 800mA
補足:一部ブランケットを自作(アルミ合金)
改造案:腰軸の追加、頭部・胴体は自作
<最終決定内容>
頭部は球体の発泡スチロール(φ30~40mm)を使用
胴体はそれに合わせた設計で行う
○電子工作「LED円盤時計」
時・分・秒の36個のLEDを使用
マイコン:16F886(28PIN)
スイッチ:2~4個
○電子工作「LED円盤時計Light」
時、分の24個のLEDで構成
マイコン:16F88or16F84A
スイッチ2個
○モータドライバ
使用IC:TA7291
動作ch数:1~2
○オリジナルロボット
使用サーボ:MICRO/2BBMG/JR
重量:1kg以下
大きさ:30cm?
関節数最低:14
通信:???
コントロールボード:自作予定
(以降いろいろ考え中)
						>>少佐さん
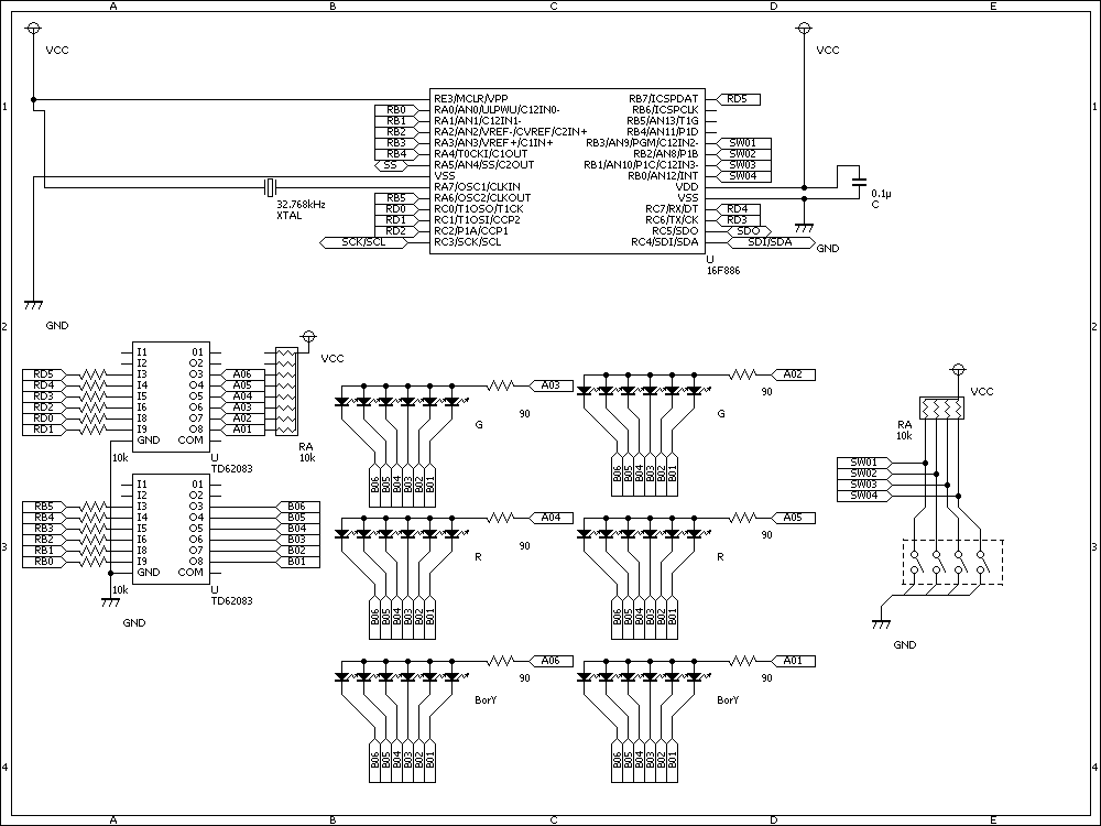
スイッチはプルアップできるPORTBを使ったほうがよさそうですね
どのビットでするかしないかの設定はそれぞれできるのであまった部分も他の用途に使えますね
というわけで修正してみました

修正点
・点灯処理を内部発振にさせる
・外部発振は32.768[kHz]にしてCLKINに接続
・スイッチのピンをPORTBに変更
注1:スイッチはプッシュスイッチを使う
注2:トランジスタアレイは最終的には6ch×2個を使用予定
注3:電源は3.6[v]を使いPICへは昇圧回路にて5[v]上げてから通す予定
注3は内部発振で駆動させるために3vで十分かもしれないので昇圧回路は廃止するかもしれません
前回のイメージ図では単3電池を2つしかつけていなかったのですがそこをどうすれべきか考える必要があリマすね
クロック維持のために3.0vボタン電池と発光用1.2vバッテリー2本を別々に使うプランも計画中です
では今日はこの辺で
					
																								スイッチはプルアップできるPORTBを使ったほうがよさそうですね
どのビットでするかしないかの設定はそれぞれできるのであまった部分も他の用途に使えますね
というわけで修正してみました
修正点
・点灯処理を内部発振にさせる
・外部発振は32.768[kHz]にしてCLKINに接続
・スイッチのピンをPORTBに変更
注1:スイッチはプッシュスイッチを使う
注2:トランジスタアレイは最終的には6ch×2個を使用予定
注3:電源は3.6[v]を使いPICへは昇圧回路にて5[v]上げてから通す予定
注3は内部発振で駆動させるために3vで十分かもしれないので昇圧回路は廃止するかもしれません
前回のイメージ図では単3電池を2つしかつけていなかったのですがそこをどうすれべきか考える必要があリマすね
クロック維持のために3.0vボタン電池と発光用1.2vバッテリー2本を別々に使うプランも計画中です
では今日はこの辺で
						というわけで3月ももう終わりなわけですが
先日の日曜日一人東京に行ってまいりました~
というのも
「GirlsLoveFestival3」
通称GLF3に参加してきたからなんですよ
初めて参加した百合オンリーは去年の11月にあった「メイデンスガーデン」が最初でしたが今回は東京!と言うわけでちょっと頑張ってきました
詳しい内容+αは写真と漫画で1週間かけて話そうかなと思っています
-----------------
もうすぐ新学年なので新たに目標
正確には前半期の目標を上げようと思います
・ロボットフォース出場
今回も大学のチームで出そうと思います
そういえば明日にも新入生がやってくるけどパーツはどうなるんだろう?
・自作サーボコントローラ
目的は小型化、ただしチャンネルの数によると言うのが現状でしょうか
少佐さんの開発されたサーボコントローラは20ch以上にkondoの通信機に対応しているのが特徴です
また大学で使用させていただいているRCB-1は1ボード12ch2枚で24chになっています
個人的には16chジャストで究極の小型化に挑戦したいもの(U1K+α用)です
それとも更なる小型化でRCB-1みたいに16の半分で8chを2個作るのも面白そうですね
・自作頭部
受信機、ナイトライダー(要ボタン電池)搭載
ロボットフォースまでにはできれば
PWMに応じて目を動かせるようにしたいです
しばらくの電子工作はこれになるかな?
まずは練習に
1、CCPのキャプチャで時間を計測
2、計った時間に対してLED8つを点灯
をやってみようと思います
こんなかんじです
					
																								先日の日曜日一人東京に行ってまいりました~
というのも
「GirlsLoveFestival3」
通称GLF3に参加してきたからなんですよ
初めて参加した百合オンリーは去年の11月にあった「メイデンスガーデン」が最初でしたが今回は東京!と言うわけでちょっと頑張ってきました
詳しい内容+αは写真と漫画で1週間かけて話そうかなと思っています
-----------------
もうすぐ新学年なので新たに目標
正確には前半期の目標を上げようと思います
・ロボットフォース出場
今回も大学のチームで出そうと思います
そういえば明日にも新入生がやってくるけどパーツはどうなるんだろう?
・自作サーボコントローラ
目的は小型化、ただしチャンネルの数によると言うのが現状でしょうか
少佐さんの開発されたサーボコントローラは20ch以上にkondoの通信機に対応しているのが特徴です
また大学で使用させていただいているRCB-1は1ボード12ch2枚で24chになっています
個人的には16chジャストで究極の小型化に挑戦したいもの(U1K+α用)です
それとも更なる小型化でRCB-1みたいに16の半分で8chを2個作るのも面白そうですね
・自作頭部
受信機、ナイトライダー(要ボタン電池)搭載
ロボットフォースまでにはできれば
PWMに応じて目を動かせるようにしたいです
しばらくの電子工作はこれになるかな?
まずは練習に
1、CCPのキャプチャで時間を計測
2、計った時間に対してLED8つを点灯
をやってみようと思います
こんなかんじです
						無い無い騒いでいたpickit2が鞄の奥に封印されていたのを発見
なんとか作業を再開できそうです
とりあえず現状での研究目標を
○二足歩行ロボット
大学で借りたKHR-1があるのですがあまり大雑把な改造も面倒難しいのでまずは胴体に腰軸を付けた胴体を作る予定です
あとナイトライダー搭載の頭部も考案中、できれば受信部も内蔵したいところですがそれは難しそうです
○自作サーボコントローラ
考え中・・・
○ナイトライダー
プログラム作成中、
スイッチ割り込みができたら報告します
スイッチによる確認時間は10msくらいでいいかなっと
○新企画 運用車
タイヤはトラックのようにするためにスポーツタイヤを使用
立ち上げ機能を搭載して某パトロール○イバーみたいに出動させたい
もしかしたら俺サーボのきっかけにいいかもしれませんね
とまあこんなところです
マイクロマウスもどきの豆タンクを考えていますがこっちはゆっくりして行こうと思います
ではでは~
					
																								なんとか作業を再開できそうです
とりあえず現状での研究目標を
○二足歩行ロボット
大学で借りたKHR-1があるのですがあまり大雑把な改造も
あとナイトライダー搭載の頭部も考案中、できれば受信部も内蔵したいところですがそれは難しそうです
○自作サーボコントローラ
考え中・・・
○ナイトライダー
プログラム作成中、
スイッチ割り込みができたら報告します
スイッチによる確認時間は10msくらいでいいかなっと
○新企画 運用車
タイヤはトラックのようにするためにスポーツタイヤを使用
立ち上げ機能を搭載して某パトロール○イバーみたいに出動させたい
もしかしたら俺サーボのきっかけにいいかもしれませんね
とまあこんなところです
マイクロマウスもどきの
ではでは~
						「ほぎゃあああああぁぁぁぁぁぁぁ!!!」
と叫びたくなりました。はい
というのも
さらば携帯HDD!
(享年10ヶ月)
いまでも信じられませんがこれが事実なんですよね
(´;ω;`)ブワッ
うう・・・「その花」のコミケ限定おまけ小説のデータが
友人からいただいた動画もすべて消えてしまいました
幸いロボットなどの研究データは無事でしたが今はあんまり使ってないHPのテンプレも消えてしまいました
そういえばHPほったらかしだったなと思う今
あまりにブログが使いやすかったので放置気味でした
(^^;)
まあそれはそうとこうなったのも本島(デスクパソコン)を構えなかったのも原因なんですが・・・
基本パソコンはノートとデスクを両方持つのが基本だそうですがデスクトップは12月に死んでほったらかしの状態でした
(もともと兄のお下がりで稼動は6年目(?)でしたし)
これを期にデスクを本格的に考える必要がありそうです
でもその前に・・・
予算都合を考えないとね(^^;)
とりあえずこまめにバイトかなぁ・・・
					
																								と叫びたくなりました。はい
というのも
さらば携帯HDD!
(享年10ヶ月)
いまでも信じられませんがこれが事実なんですよね
(´;ω;`)ブワッ
うう・・・「その花」のコミケ限定おまけ小説のデータが
友人からいただいた動画もすべて消えてしまいました
幸いロボットなどの研究データは無事でしたが今はあんまり使ってないHPのテンプレも消えてしまいました
そういえばHPほったらかしだったなと思う今
あまりにブログが使いやすかったので放置気味でした
(^^;)
まあそれはそうとこうなったのも本島(デスクパソコン)を構えなかったのも原因なんですが・・・
基本パソコンはノートとデスクを両方持つのが基本だそうですがデスクトップは12月に死んでほったらかしの状態でした
(もともと兄のお下がりで稼動は6年目(?)でしたし)
これを期にデスクを本格的に考える必要がありそうです
でもその前に・・・
予算都合を考えないとね(^^;)
とりあえずこまめにバイトかなぁ・・・
						というわけで
「左右に伸びたLED8個に対しスイッチ信号で右から左へ流れながら積んでいく」
プログラムを考える
使う割り込みはタイマ0、INTピン割り込み
LEDはPORTD(0~7)に接続されているものとする
付属のスイッチはRB0に接続されておりスイッチが通電することでRB0へは電流は流れない
主なプログラム実行手順は以下の通り
1、初期設定
2、スイッチ待機(無限ループ)、実行で3へ
3、発光、2へ戻る
3の詳細は以下の通り
①、PORTD、Xビット発光
ただし、0ビット目がすでに発光している場合はPORTDをゼロクリアする
②、待機
③、Xビット消灯、X(=X+1)ビットを点灯
ただし、すでに点灯している場合は↑を実行せずに処理を(終了)する
④、待機
⑤、③へ戻る
(終了)、このプログラムの実行条件をクリアして無限ループへ
と言った感じです
さらに特殊(点灯処理中にさらに点灯処理を実行)な処理は高度なものになりますがこの場合でしたらこれで十分だと思います
またこの処理実行中は割り込みではなく通常の処理で実行します
とまあこんな感じです
プログラムは来週の月曜までには完成させる予定ですが大須のロボ・ベースの大会もあるので時間が掛かると思います
					
																								「左右に伸びたLED8個に対しスイッチ信号で右から左へ流れながら積んでいく」
プログラムを考える
使う割り込みはタイマ0、INTピン割り込み
LEDはPORTD(0~7)に接続されているものとする
付属のスイッチはRB0に接続されておりスイッチが通電することでRB0へは電流は流れない
主なプログラム実行手順は以下の通り
1、初期設定
2、スイッチ待機(無限ループ)、実行で3へ
3、発光、2へ戻る
3の詳細は以下の通り
①、PORTD、Xビット発光
ただし、0ビット目がすでに発光している場合はPORTDをゼロクリアする
②、待機
③、Xビット消灯、X(=X+1)ビットを点灯
ただし、すでに点灯している場合は↑を実行せずに処理を(終了)する
④、待機
⑤、③へ戻る
(終了)、このプログラムの実行条件をクリアして無限ループへ
と言った感じです
さらに特殊(点灯処理中にさらに点灯処理を実行)な処理は高度なものになりますがこの場合でしたらこれで十分だと思います
またこの処理実行中は割り込みではなく通常の処理で実行します
とまあこんな感じです
プログラムは来週の月曜までには完成させる予定ですが大須のロボ・ベースの大会もあるので時間が掛かると思います
						タイトルに他意はありません
まあもう3月だし散歩に出てこのなまった体をどうにかしたと言う意思はありますが
(^^;)
さてなんだかんだで早1年思えば去年の私は自動車ッ学校で四苦八苦していたときでした
仮試験の筆記がなかなか受からず毎日猛勉強しながらソルフェージュ-sweet hurmony-をしたものいい思い出です
とはいえすでに1年去れど1年です
と言うわけで春先の目標として目標をいくつか上げようと思います
1、ロボット大会出場
もちろん自分のフル・オリジナルで
案としては大分まとまっているので近いうちに報告します
2、pixiv評価100突破
もちろん企画関連なしで!
自己のオリジナルを確立させる(`・ω・´)シャキーン
3、資格2~3取る!
基本をプログラム関連として海外用に英語・中国語は基礎が試しようかなと思っています
大学1年前半でドイツ語の基礎を習いましたがやはりなかなか難しい部分もありそのへんはぼちぼちやっていこうかと
でも2年前半でもうドイツ語2があるし・・・悩みどころですね
なんだかんだで電気工事士2種取ったままなので1種も取らないと・・・
去年は申し込み忘れてましたw
今はそんなところです
					
																								まあもう3月だし散歩に出てこのなまった体をどうにかしたと言う意思はありますが
(^^;)
さてなんだかんだで早1年思えば去年の私は自動車ッ学校で四苦八苦していたときでした
仮試験の筆記がなかなか受からず毎日猛勉強しながらソルフェージュ-sweet hurmony-をしたものいい思い出です
とはいえすでに1年去れど1年です
と言うわけで春先の目標として目標をいくつか上げようと思います
1、ロボット大会出場
もちろん自分のフル・オリジナルで
案としては大分まとまっているので近いうちに報告します
2、pixiv評価100突破
もちろん企画関連なしで!
自己のオリジナルを確立させる(`・ω・´)シャキーン
3、資格2~3取る!
基本をプログラム関連として海外用に英語・中国語は基礎が試しようかなと思っています
大学1年前半でドイツ語の基礎を習いましたがやはりなかなか難しい部分もありそのへんはぼちぼちやっていこうかと
でも2年前半でもうドイツ語2があるし・・・悩みどころですね
なんだかんだで電気工事士2種取ったままなので1種も取らないと・・・
去年は申し込み忘れてましたw
今はそんなところです
	