このブログは@knight@のロボット・電子工作方面の活動を書いてるサイトです。
×
[PR]上記の広告は3ヶ月以上新規記事投稿のないブログに表示されています。新しい記事を書く事で広告が消えます。
とりあえず作ってみたいものを並べてみる
・サーボ複数制御回路
擬似CCPだとプログラムが難しくなるだろうな
先輩達もPIC用C言語(ccs)を使っているし・・・
そろそろ習ってみようかな・・・
・DCモータ制御回路
いつもの「TA7291P」で使ってみたいけど他のも使ってみたいかも
でも今はこの今まで
目標として18ピンでモータ4つ制御できるようにしたいです
・ナイトライダー
使うのは16ピン以上のものがいいな
目標は30個!!
・USBを使った回路
考え中・・・
「18F14K50」がUSBver2.0なので使いたいけど~
実は秋月で発振子搭載の「18f4550(USB有)」を発売しているのでソッチも使ってみたいです
・センサー回路
○湿度 ○超音波
○気温 ○気圧
○GPS ○赤外線
○反射
・ラジコンPWM用変換DCアンプ
な感じかな
そうそう、面装基板も練習しないとね
勉強やロボットとか色々とあるけど
頑張るぞ!!
・サーボ複数制御回路
擬似CCPだとプログラムが難しくなるだろうな
先輩達もPIC用C言語(ccs)を使っているし・・・
そろそろ習ってみようかな・・・
・DCモータ制御回路
いつもの「TA7291P」で使ってみたいけど他のも使ってみたいかも
でも今はこの今まで
目標として18ピンでモータ4つ制御できるようにしたいです
・ナイトライダー
使うのは16ピン以上のものがいいな
目標は30個!!
・USBを使った回路
考え中・・・
「18F14K50」がUSBver2.0なので使いたいけど~
実は秋月で発振子搭載の「18f4550(USB有)」を発売しているのでソッチも使ってみたいです
・センサー回路
○湿度 ○超音波
○気温 ○気圧
○GPS ○赤外線
○反射
・ラジコンPWM用変換DCアンプ
な感じかな
そうそう、面装基板も練習しないとね
勉強やロボットとか色々とあるけど
頑張るぞ!!
PR
なんかもうカテゴリーが意味して無いなw
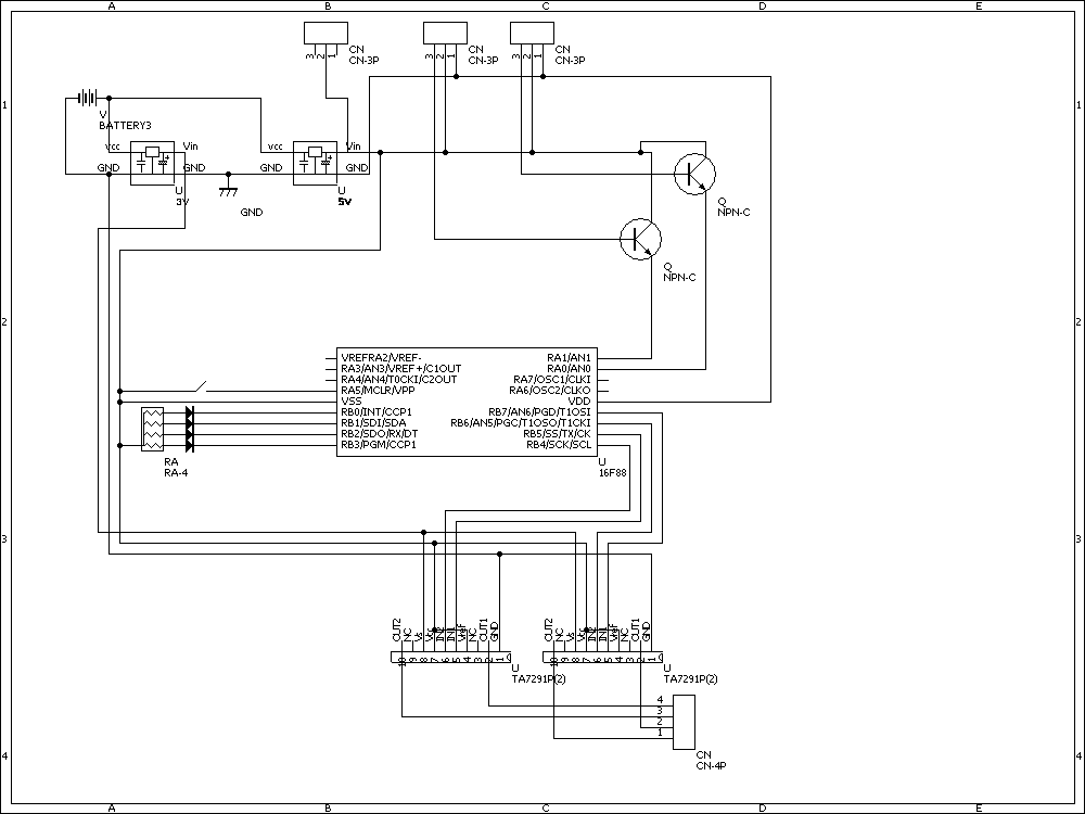
それはそうと電子回路を軽く総集編にして見た
かなりごっちゃだけど大体できてるので問題ないかと

一番左の3ピンは必要ないかも・・・
プログラムはようやく製作開始、
それにしてもまたconnfigから作らないと・・・だるっ
本体も製作中~
だけどもしかしたら前より悪いかも・・・(^^;)
<ニコニコ技術部>
12連射美味しいです(^q^)
「AQUA」にあった「夜光鈴」思い出した
科学的にできないかな「夜光鈴」
なんか久々にARIA見たくなってきた
QFP面装できたら電気回路は大分広がるね、うん
俺だって・・・いつかわ!(ワナワナ)
確かにこれはpicでもできるし多分そっちのほうが安いだろうな
でも32ピンも操作するとなると数がハンパ無いだろうな・・・
こういうときに面装基板を使いたいね
ちなみに8x8サイズで16x16のドットもあるのでそちらもやってみたいZE!
それはそうと電子回路を軽く総集編にして見た
かなりごっちゃだけど大体できてるので問題ないかと
一番左の3ピンは必要ないかも・・・
プログラムはようやく製作開始、
それにしてもまたconnfigから作らないと・・・だるっ
本体も製作中~
だけどもしかしたら前より悪いかも・・・(^^;)
<ニコニコ技術部>
12連射美味しいです(^q^)
「AQUA」にあった「夜光鈴」思い出した
科学的にできないかな「夜光鈴」
なんか久々にARIA見たくなってきた
QFP面装できたら電気回路は大分広がるね、うん
俺だって・・・いつかわ!(ワナワナ)
確かにこれはpicでもできるし多分そっちのほうが安いだろうな
でも32ピンも操作するとなると数がハンパ無いだろうな・・・
こういうときに面装基板を使いたいね
ちなみに8x8サイズで16x16のドットもあるのでそちらもやってみたいZE!
よし!遂に来た!
と言う事でwktkしながら観ました
『時代は大正、野球を知らないお嬢様学校の生徒達が野球に挑む物語』
な感じですかね
セーラー服もいいけど和服で通う学校風景は何気に斬新だな
まあ何はともあれ今期の楽しみの一つとしてみていくつもりです
と言う事でwktkしながら観ました
『時代は大正、野球を知らないお嬢様学校の生徒達が野球に挑む物語』
な感じですかね
セーラー服もいいけど和服で通う学校風景は何気に斬新だな
まあ何はともあれ今期の楽しみの一つとしてみていくつもりです
そこに痺れる憧れるぅ!
でも理解は半分しかできてないんだぜ!
そんな中一風変わった動画を発見
確かにこれは便利ですね
でも1時間おきはちょっと面倒だな(授業中とかもあるし)
定期的なシステムを組み込んだらそれなりに面白そうだけど
(朝<8:00>、昼<12:00>、夜<21:00>みたいな?)
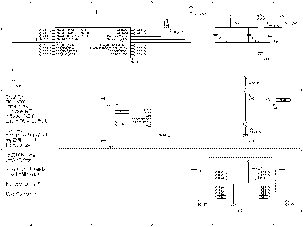
○そうそう今日学校でサーボテスターの初号機を作ってきました
これからじっくりプログラムを作成(A/Dコンバータが理解で着ていないので)予定です
それにしても5月病が遅れてきたのか、全身がかなりしんどいです
・・・もしかして夏バテかな?
夏は何気にお気に入りが多そうだ
・大正野球娘
・G・A 芸術科アートデザインクラス
とかいいつつ二つだけ
まあ他は原作知らないし
(゚ε゚)キニシナイ!!
○大正野球娘
去年の高校の頃図書館で原作をみて
「こいつはアニメ化の匂いがプンプンするぜ!」
みたいなノリで読んでいて面白かったので二巻も司書さんにせかしたのも良い思いでです
あ~でも自分で持っておきたいな~!!
>ヮ<
そうそう、いつのかにか3巻も出ているらしいので買ってみようかな?
○G・A 芸術科アートデザインクラス
決してギャラクシー(ryではないので注意
でも「芸術家アートデザインクラス」でも無いので注意
人によっては陽だまりスケッチのパクリとかいいそうですがそんなこと無いですよ!
個人的にはキョージュが一番好き、ミステリアスなところとか!
他には一度見てからということで
それにしても原作見た人から見たアニメって良く興ざめする事が多いよな~
それでも期待しちゃうのだけど(ーwー)
・大正野球娘
・G・A 芸術科アートデザインクラス
とかいいつつ二つだけ
まあ他は原作知らないし
(゚ε゚)キニシナイ!!
○大正野球娘
去年の高校の頃図書館で原作をみて
「こいつはアニメ化の匂いがプンプンするぜ!」
みたいなノリで読んでいて面白かったので二巻も司書さんにせかしたのも良い思いでです
あ~でも自分で持っておきたいな~!!
>ヮ<
そうそう、いつのかにか3巻も出ているらしいので買ってみようかな?
○G・A 芸術科アートデザインクラス
決してギャラクシー(ryではないので注意
でも「芸術家アートデザインクラス」でも無いので注意
人によっては陽だまりスケッチのパクリとかいいそうですがそんなこと無いですよ!
個人的にはキョージュが一番好き、ミステリアスなところとか!
他には一度見てからということで
それにしても原作見た人から見たアニメって良く興ざめする事が多いよな~
それでも期待しちゃうのだけど(ーwー)
近頃中学生版のハルヒの話が多いので調べてみるといつの間にか放送が始まっていたそうです
Σ(・∀・;)
しかも1期を時系列順にしながらその間に入る「七夕の話」を混ぜていたらしくそれで中学生ハルヒが話題になっていたようです
それにしても今日アニは変わったことするな~、いやむしろ自然なのか?
でもこれだと1期のDVD買った人はある意味損じているのでは?
それとも二期は二期でディスクは別にしているのだろうか?
まあどうでもいいけど
Σ(・∀・;)
しかも1期を時系列順にしながらその間に入る「七夕の話」を混ぜていたらしくそれで中学生ハルヒが話題になっていたようです
それにしても今日アニは変わったことするな~、いやむしろ自然なのか?
でもこれだと1期のDVD買った人はある意味損じているのでは?
それとも二期は二期でディスクは別にしているのだろうか?
まあどうでもいいけど
現在フルカラーLEDスタンドを製作中ですがそれと並行して二足歩行ロボットと多足(車輪)ロボットの製作を考えています
ですが両方するには予算的にも時間的にも(9月に大会)厳しいのでどうしようかと思っています
そこで考えた!
二足歩行ロボットを乗せる多足ロボットを作ればいいじゃないか!(←バカ)
早速それにていての構想を始めたら止まらないわけですよ、うへへ
簡単に説明すると
1、ベースになる二足歩行ロボット(受信機はコッチ)
2、その二足ロボが搭乗する多足ロボ
3、1と2が「ガッシーン!」(二足ロボットから9ピン端子で接続→全256命令!)
4、最強!
・・・やっぱ疲れが溜まってるか
でもPICの持てる技術を全て使えばできそうな気がするが・・・
ですが両方するには予算的にも時間的にも(9月に大会)厳しいのでどうしようかと思っています
そこで考えた!
二足歩行ロボットを乗せる多足ロボットを作ればいいじゃないか!(←バカ)
早速それにていての構想を始めたら止まらないわけですよ、うへへ
簡単に説明すると
1、ベースになる二足歩行ロボット(受信機はコッチ)
2、その二足ロボが搭乗する多足ロボ
3、1と2が「ガッシーン!」(二足ロボットから9ピン端子で接続→全256命令!)
4、最強!
・・・やっぱ疲れが溜まってるか
でもPICの持てる技術を全て使えばできそうな気がするが・・・
現在フルカラーLEDスタンドの作成で疑似CCPによる色の変化を試みています
<疑似CCP>
CCPは出力をパルス波長にして対象に信号を送るものでサーボのPWM制御もこれを使うことですることが出来ます
今回はそれを応用して出力をLEDへの出力を調整することが目的です
しかしPICには1つのPICに対し大体CCPは1つしかないので複数の対象を制御するには足りなくなってしまいます
そこでそのCCPを「機能」としてはでなく「プログラム」で再現しようとするのがその仕組みです
必要なのはTIMERレジスタと各種変数レジスタで割り込み許可が必須です
流れは多く区分けて2つ、
<変数処理>
1、各種変数設定・タイマースタート・RGBピン=オン
2、RGB限界数値変更
3、処理停止(NOP)
4、2へ戻る
<RGB割り込み処理>
1、指定変数(RBG各変数)=>タイマー
※「~以上」に設定しているがもしものときは「同等」に変更予定
2、RGB出力をOFFに
3、割り込み終わり
<1周期割り込み処理>
1、1周期変数変数=>タイマー
2、RGB=オン
3、タイマー=0
4、割り込み終了
結構処理速を求めるので20MHzセラロックを搭載予定
完成は今週中を予定
<疑似CCP>
CCPは出力をパルス波長にして対象に信号を送るものでサーボのPWM制御もこれを使うことですることが出来ます
今回はそれを応用して出力をLEDへの出力を調整することが目的です
しかしPICには1つのPICに対し大体CCPは1つしかないので複数の対象を制御するには足りなくなってしまいます
そこでそのCCPを「機能」としてはでなく「プログラム」で再現しようとするのがその仕組みです
必要なのはTIMERレジスタと各種変数レジスタで割り込み許可が必須です
流れは多く区分けて2つ、
<変数処理>
1、各種変数設定・タイマースタート・RGBピン=オン
2、RGB限界数値変更
3、処理停止(NOP)
4、2へ戻る
<RGB割り込み処理>
1、指定変数(RBG各変数)=>タイマー
※「~以上」に設定しているがもしものときは「同等」に変更予定
2、RGB出力をOFFに
3、割り込み終わり
<1周期割り込み処理>
1、1周期変数変数=>タイマー
2、RGB=オン
3、タイマー=0
4、割り込み終了
結構処理速を求めるので20MHzセラロックを搭載予定
完成は今週中を予定
・・・難しい
前回点滅を成功したのはいまはゆっくりな点滅が難しいです
理想は蛍の光・・・とそうだ。秋月でなんかそんなキットが売っていたような・・・
あれも同じ原理なのだろうか?というか同じ緩やかな点灯なのでしょうか?
一応形は具現化している気がするのですが・・・
出力と時間の関係はほぼ比例、それをデジタル状に見るとジグザグですが人間の感覚で見れば直線状に見えることが重要になるのでストップは使えない
だから変数をいくつか用意して指定した回数分周期内で出力するようにすればいい、そう考えています
簡単な方法でCCP、PWM制御方法があるらしいので今はそれを勉強中です
