このブログは@knight@のロボット・電子工作方面の活動を書いてるサイトです。
×
[PR]上記の広告は3ヶ月以上新規記事投稿のないブログに表示されています。新しい記事を書く事で広告が消えます。
と言うわけで遅れて現状報告
午前中は試験の追試で特別補修ですが午後はちゃんと設計はしている・・・はずです^^;
設計のほうは学校側はメンバーが試したい構造を使った機体を設計中ですのでその隙に自分のロボットのフレームを設計中です
ですがここで大きな課題がいくつかあって
今使っているサーボMICRO/2BBMG/JRは構造上性能はいいのですがKONDOサーボみたいにネジが2mmではなく1.5mmらしく穴も対角の2つだけで残りの一組は内部でピン止めされています
先輩方の機体を参考にさせていただくとピン止めの穴を外にまで貫通させてそこからネジ止めをしているそうなのでそれを採用させていただこうと思っています
とりあえず足から製作ということで
関節はシングル並行リンクでアームを工夫して180可動させようと思いますがどうも皆さん「意味が無い」と言うコメントなようです
まあ確かに平行リンクなら90度動けば十分ですが・・・残った90度がもったいない気がするんですよね
トリム調整用の予備角度と言えばそれなりに納得はできますが・・・
コントロールボードは現状では市販品のRCB-3を使うために購入を検討中で
フレーム材のアルミ合金1mmと0.5mmは1枚ずつ買ってあるのでテスト品を作ってそこからですね
できるだけ余裕のあるデザインにはしたいのですが最低限1kgは下回らないといけないので難しそうです
(もしもの時は肉抜きか、それとも)
お盆には実家に帰省して成績返還前にはこっちの戻ってくる予定なのであまりゆっくりしている暇はなさそうです
電子工作は一時休憩、今はロボット優先にします
そういえばKONDOで亀型ロボットが出ましたね
価格は4万くらいとなかなかお手ごろ・・・ですが
もうすこし安くして欲しいと贅沢を言ってみたり(コラ
<近頃のニコニコ技術部>
最近ランク入りしていた作品がいくつかあったのでピックアップ
相変わらずのハイスピード&ハイクオリティ!
というかもう夏の風物詩化しているなw
いおりんのPK(ペーパークラフト)マジ最高!
じぇいそんさんといい最近の造型技術は半端ないな
再現度タケェ!
思えばSWももう1年ですよね、早いものです^^;
何でもB★Rつければいいと思っているのだろうか
―って似た感じのフレーズがフルメタの短編書き下ろしにあったな
フルメタと言えばもうすぐ本編完結+ACER参戦ですね
例の期待も参戦するそうですがプレイするかは実家規制の様子次第かと^^;
それにしてもお金が足りない・・・
ボダブレしすぎたせいもあるけど「その花」アニメ買ったり電気工事士の申し込みで2万飛んだし
残りの4万で食費もう少し削ればよかったと後悔、
しばらくはご飯とインスタント味噌汁、おまけに漬物の生活になりそうです
(何故か戦国BASARA弐の2話見ると味噌汁が恋しく思えた)
というか9月にある大会への夜行バスの代金とかGLFの予算考えて無かったかも・・・
とはいえ20日は翌日大学あるし・・・ぐぬぬ
往復で最低でも6千円・・・でも絶対に行くと決まったわけじゃないし・・・むぅ
原付でいけないかな・・・(マテ
百合姫の定期購読(¥7,200/年)もしたいし・・・あ~どうしようかな
そんあこんだで今日はこの辺で
さて、明日も補講だ
午前中は試験の追試で特別補修ですが午後はちゃんと設計はしている・・・はずです^^;
設計のほうは学校側はメンバーが試したい構造を使った機体を設計中ですのでその隙に自分のロボットのフレームを設計中です
ですがここで大きな課題がいくつかあって
今使っているサーボMICRO/2BBMG/JRは構造上性能はいいのですがKONDOサーボみたいにネジが2mmではなく1.5mmらしく穴も対角の2つだけで残りの一組は内部でピン止めされています
先輩方の機体を参考にさせていただくとピン止めの穴を外にまで貫通させてそこからネジ止めをしているそうなのでそれを採用させていただこうと思っています
とりあえず足から製作ということで
関節はシングル並行リンクでアームを工夫して180可動させようと思いますがどうも皆さん「意味が無い」と言うコメントなようです
まあ確かに平行リンクなら90度動けば十分ですが・・・残った90度がもったいない気がするんですよね
トリム調整用の予備角度と言えばそれなりに納得はできますが・・・
コントロールボードは現状では市販品のRCB-3を使うために購入を検討中で
フレーム材のアルミ合金1mmと0.5mmは1枚ずつ買ってあるのでテスト品を作ってそこからですね
できるだけ余裕のあるデザインにはしたいのですが最低限1kgは下回らないといけないので難しそうです
(もしもの時は肉抜きか、それとも)
お盆には実家に帰省して成績返還前にはこっちの戻ってくる予定なのであまりゆっくりしている暇はなさそうです
電子工作は一時休憩、今はロボット優先にします
そういえばKONDOで亀型ロボットが出ましたね
価格は4万くらいとなかなかお手ごろ・・・ですが
もうすこし安くして欲しいと贅沢を言ってみたり(コラ
<近頃のニコニコ技術部>
最近ランク入りしていた作品がいくつかあったのでピックアップ
相変わらずのハイスピード&ハイクオリティ!
というかもう夏の風物詩化しているなw
いおりんのPK(ペーパークラフト)マジ最高!
じぇいそんさんといい最近の造型技術は半端ないな
再現度タケェ!
思えばSWももう1年ですよね、早いものです^^;
何でもB★Rつければいいと思っているのだろうか
―って似た感じのフレーズがフルメタの短編書き下ろしにあったな
フルメタと言えばもうすぐ本編完結+ACER参戦ですね
例の期待も参戦するそうですがプレイするかは実家規制の様子次第かと^^;
それにしてもお金が足りない・・・
ボダブレしすぎたせいもあるけど「その花」アニメ買ったり電気工事士の申し込みで2万飛んだし
残りの4万で食費もう少し削ればよかったと後悔、
しばらくはご飯とインスタント味噌汁、おまけに漬物の生活になりそうです
(何故か戦国BASARA弐の2話見ると味噌汁が恋しく思えた)
というか9月にある大会への夜行バスの代金とかGLFの予算考えて無かったかも・・・
とはいえ20日は翌日大学あるし・・・ぐぬぬ
往復で最低でも6千円・・・でも絶対に行くと決まったわけじゃないし・・・むぅ
原付でいけないかな・・・(マテ
百合姫の定期購読(¥7,200/年)もしたいし・・・あ~どうしようかな
そんあこんだで今日はこの辺で
さて、明日も補講だ
PR
近頃「アニマル探偵キルミンずぅ」にはまっている今日この頃
果たしてこの作品が思惑(コンセプト)通りに新しい風を吹き込むのか気になるところです
ちなみに今は17話まで見たけどいろいろテコ入れもはいってきたのでこれからも楽しめます^^
OPってタイ語なんですね、てっきり動物語か何かかと思いました^^;
それとペンタブを買った際についてきた漫画製作ソフトのライト版を練習も1,2時間で軽く
ですがまさかこのソフトJPEGしか出せないとかかなりショック
綺麗な画像で残すためにPNGとかでしたいところですがそういうわけにも行かないそうですね
豪華版ではPNGで出力できるそうですがまあそこまで本気にしたくは無いのでその気があったらということにしておきます
ボーダーブレイクは先日久しくプレイしましたがイベントゲームとかも始まっていますね
新パーツも続々と出ていていますが個人的には今の戦闘スタイルを変えるつもりは無いですね
ですがクーガーS型とか標準好きな自分はちょっと気になります
そんな自分は現在エンフォーサー1っ式で構成中、
ⅡかⅢの為に強襲賞がいるそうですがコア凸とかまず無理(ヾノ・∀・`)
それと麻の近接武器にスピアも実装されてますが流石に自分もカッター(初期剣)から変えたいと思うよ
テスト数週間前にアイアンマン2観たけどDVDで1作目を見たあとだとほんとに世界観に飲み込まれる
話の流れでは続きそうな気もしますが楽しみです^^
それにしても映画とか久々だったな
近いうちに「特攻野郎Aチーム」とかあるし見たいかな
ブレイクブレイド、結局ロボット大会やら中間なんやらで1作、2作を見逃していつの間にかDVDででてるし
あと2作ぐらいで「彼」がでてきそうな気がしますが全6作の半分になったら劇場含めてまとめてみようかなと思う
ニコニコ動画では実況動画を観ていたり
「ときちくのアサシン・グリード」はBGMのセンスなど字幕実況と言う声の好き嫌いが無い作品でしたのでとても楽しかったです
偶然見つけた「ICO」はPS2のゲームだそうですが非シリーズゲームでここまで見入るのは久々でした
かつて詰んだまま友達に返してしまった「ワンダートレック」は最後のおまけで少し鬱になってしまいましたがこれもなかなか面白い作品でした
ちなみに今年で20歳になりましたが正直ゲームとかやる気が出ない(´・ω・`)
ポケモンSSとか四天王で止まってるし
メタルギアも途中の起動戦車で止まってる
PSP版AC3LRも買ってないし
大学生になって現実ロボットを手がけている(手伝い)ので時間が全く無いですね
ゲームシステムを楽しめればいいと思う
というかこういう年になっておもうのはやはり「時間」ですね
かつて初代のテイルズとかプレイヤーにも寄るけど50時間とかが普通だったけど最近は80時間掛かるとか?
正直そんな時間無いしもうRPGとかできないだろうなと思う
そういえば実家にある360版のヴェスペリアもラスボス前で止まっていることを思い出す今日この頃
盆に帰ったらしようかな・・・?
もうすぐ百合の同人イベントも多くなるのですが
9月20日には「GIRLS Love Festival4」が東京であるのですがじつはその翌日大学の授業が始まると言う罠・・・orz
11月14日には「勧業祭Inメイデンスガーデン」がありますがこっちは電車で行けばいいので問題は無いのですがやはり問題は9月20日かなと思います^^;
前回は夜行バスの往復で行きましたがあれはかなり厳しかったです。
(特に帰りはイベント+秋葉初観光+行きの疲労でぼろぼろだったので現地1泊or電車帰りはしたいところです)
でもイベント開始は結構遅かったりするので電車(新幹線)でもいいかもしれませんね
青春18切符+特急で往復3時間と言ったところならいけるかも・・・?
そしてこの夏最大の課題、「ロボット製作」も急を要しますね
最低でも大学支給サーボで1台、自己オリジナルで1台を予定しており9月の11日にはU1Kがあるのでそれに合わせて製作したいとは思っています
オリジナルロボットのコントロールはKONDOの「RCB-3」か「RCB-4」を買おうと思っています
(流石に1ヶ月で自作コントロールボードは無理だし)
ギア伝達による機体のスリム化も試したいのですがそれは少し難しいかな
まあ1ヶ月あるし頑張ってみようと思います
とはいえあと2日試験があるのでこれを頑張ろうと思います
(`・ω・´)シャキーン
果たしてこの作品が思惑(コンセプト)通りに新しい風を吹き込むのか気になるところです
ちなみに今は17話まで見たけどいろいろテコ入れもはいってきたのでこれからも楽しめます^^
OPってタイ語なんですね、てっきり動物語か何かかと思いました^^;
それとペンタブを買った際についてきた漫画製作ソフトのライト版を練習も1,2時間で軽く
ですがまさかこのソフトJPEGしか出せないとかかなりショック
綺麗な画像で残すためにPNGとかでしたいところですがそういうわけにも行かないそうですね
豪華版ではPNGで出力できるそうですがまあそこまで本気にしたくは無いのでその気があったらということにしておきます
ボーダーブレイクは先日久しくプレイしましたがイベントゲームとかも始まっていますね
新パーツも続々と出ていていますが個人的には今の戦闘スタイルを変えるつもりは無いですね
ですがクーガーS型とか標準好きな自分はちょっと気になります
そんな自分は現在エンフォーサー1っ式で構成中、
ⅡかⅢの為に強襲賞がいるそうですがコア凸とかまず無理(ヾノ・∀・`)
それと麻の近接武器にスピアも実装されてますが流石に自分もカッター(初期剣)から変えたいと思うよ
テスト数週間前にアイアンマン2観たけどDVDで1作目を見たあとだとほんとに世界観に飲み込まれる
話の流れでは続きそうな気もしますが楽しみです^^
それにしても映画とか久々だったな
近いうちに「特攻野郎Aチーム」とかあるし見たいかな
ブレイクブレイド、結局ロボット大会やら中間なんやらで1作、2作を見逃していつの間にかDVDででてるし
あと2作ぐらいで「彼」がでてきそうな気がしますが全6作の半分になったら劇場含めてまとめてみようかなと思う
ニコニコ動画では実況動画を観ていたり
「ときちくのアサシン・グリード」はBGMのセンスなど字幕実況と言う声の好き嫌いが無い作品でしたのでとても楽しかったです
偶然見つけた「ICO」はPS2のゲームだそうですが非シリーズゲームでここまで見入るのは久々でした
かつて詰んだまま友達に返してしまった「ワンダートレック」は最後のおまけで少し鬱になってしまいましたがこれもなかなか面白い作品でした
ちなみに今年で20歳になりましたが正直ゲームとかやる気が出ない(´・ω・`)
ポケモンSSとか四天王で止まってるし
メタルギアも途中の起動戦車で止まってる
PSP版AC3LRも買ってないし
大学生になって現実ロボットを手がけている(手伝い)ので時間が全く無いですね
ゲームシステムを楽しめればいいと思う
というかこういう年になっておもうのはやはり「時間」ですね
かつて初代のテイルズとかプレイヤーにも寄るけど50時間とかが普通だったけど最近は80時間掛かるとか?
正直そんな時間無いしもうRPGとかできないだろうなと思う
そういえば実家にある360版のヴェスペリアもラスボス前で止まっていることを思い出す今日この頃
盆に帰ったらしようかな・・・?
もうすぐ百合の同人イベントも多くなるのですが
9月20日には「GIRLS Love Festival4」が東京であるのですがじつはその翌日大学の授業が始まると言う罠・・・orz
11月14日には「勧業祭Inメイデンスガーデン」がありますがこっちは電車で行けばいいので問題は無いのですがやはり問題は9月20日かなと思います^^;
前回は夜行バスの往復で行きましたがあれはかなり厳しかったです。
(特に帰りはイベント+秋葉初観光+行きの疲労でぼろぼろだったので現地1泊or電車帰りはしたいところです)
でもイベント開始は結構遅かったりするので電車(新幹線)でもいいかもしれませんね
青春18切符+特急で往復3時間と言ったところならいけるかも・・・?
そしてこの夏最大の課題、「ロボット製作」も急を要しますね
最低でも大学支給サーボで1台、自己オリジナルで1台を予定しており9月の11日にはU1Kがあるのでそれに合わせて製作したいとは思っています
オリジナルロボットのコントロールはKONDOの「RCB-3」か「RCB-4」を買おうと思っています
(流石に1ヶ月で自作コントロールボードは無理だし)
ギア伝達による機体のスリム化も試したいのですがそれは少し難しいかな
まあ1ヶ月あるし頑張ってみようと思います
とはいえあと2日試験があるのでこれを頑張ろうと思います
(`・ω・´)シャキーン
テストがあって近頃大忙しです
まあそれも8月3日までの我慢なのですが・・・^^;
とりあえず決まった項目を挙げると
<今年中に受けようと思う資格>
電気工事士1級(受付7月中だし・・・)
TOEIC(1度は受けておきたいかなと)
<出たいと思う大会>
U1K
ロボット・フォース
ロボ・フューチャー
<作りたいもの>
SRC対応ロボット
※KONDOサーボ使用
U1K対応ロボット
※2BBMGサーボ使用
LED+バッテリーチェッカー搭載頭部
※LEDはフラッシャーにするかは検討
と言ったところです
あとは久々に右の整理とかして土日はテスト勉強に費やそうともいます
では
まあそれも8月3日までの我慢なのですが・・・^^;
とりあえず決まった項目を挙げると
<今年中に受けようと思う資格>
電気工事士1級(受付7月中だし・・・)
TOEIC(1度は受けておきたいかなと)
<出たいと思う大会>
U1K
ロボット・フォース
ロボ・フューチャー
<作りたいもの>
SRC対応ロボット
※KONDOサーボ使用
U1K対応ロボット
※2BBMGサーボ使用
LED+バッテリーチェッカー搭載頭部
※LEDはフラッシャーにするかは検討
と言ったところです
あとは久々に右の整理とかして土日はテスト勉強に費やそうともいます
では
そろそろアニメの新シーズンですね
個人的にはストパン2がかなり楽しみです
黒執事も始まりましたが前期見てないし原作もサーカスの話が終わったところまでしか見ていない状況ですし
その気があったら見ようと思っています
そろそろ大学ではテストシーズンですがその直後にロボゴングがあるということですが
正直無理!
です
一応自分学生ですし大会に専念して成績落とすのは正直洒落にならないので今回は自作機の参加はパスしようかなと思っています
(冬の一軒もあるし・・・)
ともかく
大学の単位>サークル活動
なので(ーー;)
先輩に怒られてもまぁ仕方ないと言うことで
その分ロボット・フォース(11月)には絶対参加で行きますので
だめかな?
間に長期休講もあるしいいかなとは思うのですが
早くmyロボットを組みたいものです(^^;
電子工作もledフラッシャーで停止中ですね
流石に36個同時は無理があったのだろうか?
個人的にはストパン2がかなり楽しみです
黒執事も始まりましたが前期見てないし原作もサーカスの話が終わったところまでしか見ていない状況ですし
その気があったら見ようと思っています
そろそろ大学ではテストシーズンですがその直後にロボゴングがあるということですが
正直無理!
です
一応自分学生ですし大会に専念して成績落とすのは正直洒落にならないので今回は自作機の参加はパスしようかなと思っています
(冬の一軒もあるし・・・)
ともかく
大学の単位>サークル活動
なので(ーー;)
先輩に怒られてもまぁ仕方ないと言うことで
その分ロボット・フォース(11月)には絶対参加で行きますので
だめかな?
間に長期休講もあるしいいかなとは思うのですが
早くmyロボットを組みたいものです(^^;
電子工作もledフラッシャーで停止中ですね
流石に36個同時は無理があったのだろうか?
8月に ロボゴング に参加予定
9月にはU1Kに参加したいが・・・・無理かな(汗
4月からほったらかしのパソコンとサーボを早く使わないといけないと思う今日この頃
しばらくは機械方面の設計になりそうかな?
9月にはU1Kに参加したいが・・・・無理かな(汗
4月からほったらかしのパソコンとサーボを早く使わないといけないと思う今日この頃
しばらくは機械方面の設計になりそうかな?
試験も終わって4日経ちました
結果は・・・まあ悲惨だったので次回の11月までには何とかしたいです
<電子工作>
やはりシリアル通信をプログラムでいきなりするのは無理があるので仕様変更、
PICから出るI/Oをトランジスタに介してダイナミック点灯で駆動させる方法で駆動
面積は食いますが確実には動きます
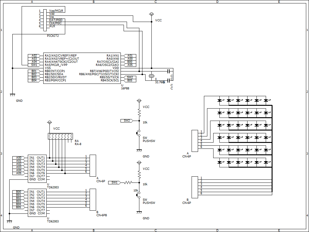
16F88の18ピンではオシレーターを内部発振で駆動させてタイマー1のみ時計用発振器で駆動させる
MCLRは入力しかできないのでスイッチに使用しもう一つもPORTBにプルアップでセット
とりあえずは設計図を作成

追記1:未記入ですが発信器のコンデンサCは33pFです
まあその前にユニバーサル基盤でテストしないといけないのですが・・・orz
結果は・・・まあ悲惨だったので次回の11月までには何とかしたいです
<電子工作>
やはりシリアル通信をプログラムでいきなりするのは無理があるので仕様変更、
PICから出るI/Oをトランジスタに介してダイナミック点灯で駆動させる方法で駆動
面積は食いますが確実には動きます
16F88の18ピンではオシレーターを内部発振で駆動させてタイマー1のみ時計用発振器で駆動させる
MCLRは入力しかできないのでスイッチに使用しもう一つもPORTBにプルアップでセット
とりあえずは設計図を作成
追記1:未記入ですが発信器のコンデンサCは33pFです
まあその前にユニバーサル基盤でテストしないといけないのですが・・・orz
というわけでついにアクセスが4000カウント行きました~
これもみなさんのおかげです(^^ )
これからも「クロノスの日記」こと@knight@をよろしくお願いします
m(_ _)m
>>少佐さん
1月も前から計画を練っていたのに本当に申し訳ございません
来週末(26か27日)は中部練習会で鍵は開いているはずなのでその時にお願いします。
ご迷惑おかけいたします。
そういえば20日(日曜日)はロボベースにて
「ロボット☆future」という2足メインの交流会も行われるそうです
試験は午前中なので午後にいけるといいな
それとその来週の26日か27日には大同大学ロボット研究部で中部ロボット交流会もあるそうなのだそちらもどうぞ~
とにかく自分は今試験を頑張ってその後電子工作の試作機完成、だな。うん
これもみなさんのおかげです(^^ )
これからも「クロノスの日記」こと@knight@をよろしくお願いします
m(_ _)m
>>少佐さん
1月も前から計画を練っていたのに本当に申し訳ございません
来週末(26か27日)は中部練習会で鍵は開いているはずなのでその時にお願いします。
ご迷惑おかけいたします。
そういえば20日(日曜日)はロボベースにて
「ロボット☆future」という2足メインの交流会も行われるそうです
試験は午前中なので午後にいけるといいな
それとその来週の26日か27日には大同大学ロボット研究部で中部ロボット交流会もあるそうなのだそちらもどうぞ~
とにかく自分は今試験を頑張ってその後電子工作の試作機完成、だな。うん
なんか凄い久々な感じです。
というかそれだけ焦っていたりします
というわけで
○「ledフラッシュ時計」の中間報告
日付:2010/06/14
再度の設計図の見直し

極限に機能制限
パソコンとのシリアル通信はあきらめました
12個3chではなく6個6chでLED回路を構成
外部発振器は時計用の発振器のみで残りは内部発振で動作させる
ハードはLEDも破損させず何とか完成

裏はちょっと恥ずかしいのですが・・・^^;

こんな感じです
今回は1層で構成しましたがプリント基板では見える面と見えない面の2枚で構成したほうが腕時計らしくなりそうですね
また駆動電源は重量が重くなりますが1.2vのエネループの3~4本を接続の予定です
というわけで今週末の土曜までにプログラム&プリント基板設計を組んでいますが・・・
ちょっと無理かも・・・(ボソッ
というのも実はプリント基板の作成の翌日はCAD試験2級とちょっと大き目の試験があるのですが・・・
こちらのほうで手一杯だったのでほとんど購入しておいたテキストが新品のままorz
しかもこういう時期に限って重要な試験とかが集中してかなりやばい状況です
なので少し進行は遅れそうです
完成予定は7月以降・・・かな?
おまけ
ちなみにちゃんと光ります

というかそれだけ焦っていたりします
というわけで
○「ledフラッシュ時計」の中間報告
日付:2010/06/14
再度の設計図の見直し
極限に機能制限
パソコンとのシリアル通信はあきらめました
12個3chではなく6個6chでLED回路を構成
外部発振器は時計用の発振器のみで残りは内部発振で動作させる
ハードはLEDも破損させず何とか完成
裏はちょっと恥ずかしいのですが・・・^^;
こんな感じです
今回は1層で構成しましたがプリント基板では見える面と見えない面の2枚で構成したほうが腕時計らしくなりそうですね
また駆動電源は重量が重くなりますが1.2vのエネループの3~4本を接続の予定です
というわけで今週末の土曜までにプログラム&プリント基板設計を組んでいますが・・・
ちょっと無理かも・・・(ボソッ
というのも実はプリント基板の作成の翌日はCAD試験2級とちょっと大き目の試験があるのですが・・・
こちらのほうで手一杯だったのでほとんど購入しておいたテキストが新品のままorz
しかもこういう時期に限って重要な試験とかが集中してかなりやばい状況です
なので少し進行は遅れそうです
完成予定は7月以降・・・かな?
おまけ
ちなみにちゃんと光ります
なんだかんだでブログ始めて3年、
ツイッターは約半年
pixivは2年前、
ニコニコは視聴は4年、投稿(1回きり)は1年前、
いろいろあったな
高校生が大学生になるほど・・・かな?
昨日思ったけど下宿すると通学時間とか思いっきり減ってゲームとか文庫とか読まなくなってきたな
悪魔で好きと言うかホントの「暇つぶし」だったし
・・・さて、もう日の出かな
講義の準備でもするか
異常がtwitterで話してしまうことでかかれること無いどうでもいい話だったりする
ツイッターは約半年
pixivは2年前、
ニコニコは視聴は4年、投稿(1回きり)は1年前、
いろいろあったな
高校生が大学生になるほど・・・かな?
昨日思ったけど下宿すると通学時間とか思いっきり減ってゲームとか文庫とか読まなくなってきたな
悪魔で好きと言うかホントの「暇つぶし」だったし
・・・さて、もう日の出かな
講義の準備でもするか
異常がtwitterで話してしまうことでかかれること無いどうでもいい話だったりする
映画
・アイアンマン2
研究
・LED時計
資格
・CAD試験2級
今後ついか予定
・アイアンマン2
研究
・LED時計
資格
・CAD試験2級
今後ついか予定
