このブログは@knight@のロボット・電子工作方面の活動を書いてるサイトです。
×
[PR]上記の広告は3ヶ月以上新規記事投稿のないブログに表示されています。新しい記事を書く事で広告が消えます。
というわけで今日は「テイルズオブヴェスペリア-first strie-」を観て来ました
まあ内容は空白だった「ユーリが騎士団を抜ける原因の話」なのですが・・・
イイハナシダナー
と言う感じでした
一言言うなら
「泣けた作品」でした
<電子回路>
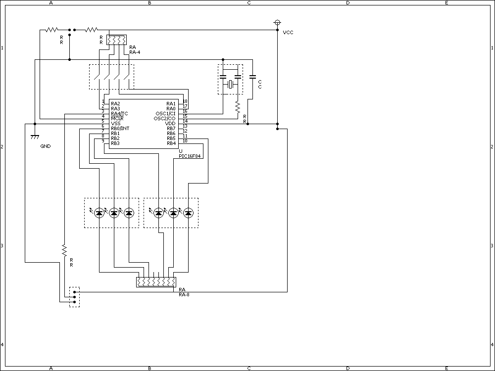
「5V電源コンテスト」用のロボットを作成中
計画名:エレボック
前日購入したアクリルBOXにPICを入れてオブジェ的にも楽しめるものを作ってみようと思います
とりあえず設計図(仮)

かなりごっちゃだな・・・
まあ修正案を入れつつ火曜日にはんだ付けして行こうかと思います
完成予想図はこんな感じかと

※色は多分無理です
尻尾は擬似ccpでサーボ操作にする予定
まあ内容は空白だった「ユーリが騎士団を抜ける原因の話」なのですが・・・
イイハナシダナー
と言う感じでした
一言言うなら
「泣けた作品」でした
<電子回路>
「5V電源コンテスト」用のロボットを作成中
計画名:エレボック
前日購入したアクリルBOXにPICを入れてオブジェ的にも楽しめるものを作ってみようと思います
とりあえず設計図(仮)
かなりごっちゃだな・・・
まあ修正案を入れつつ火曜日にはんだ付けして行こうかと思います
完成予想図はこんな感じかと
※色は多分無理です
尻尾は擬似ccpでサーボ操作にする予定
PR
近頃絵チャ以外で絵描いてない・・・
そのせいか授業に集中できないや(´・ω・`)
<電子工作>
とりあえずケーブルを作成したのであとは動かすだけ
プリント基板ができない以上できるようになるまで他で我慢する予定
と言うわけで先日頼んでおいた参考書で16fを一から習い直そうと思います
それとプログラムもC言語と並行してやっていくつもりです
問題は作成ソフトかな・・・
予算足りるといいんだけど
そうそう、近頃学内で「5v電源コンテスト」を行うそうです
内容は5v電源回路をどのように作れるかと言うもので上手い人はねんどろいどとかに組み込んでいるそうです
Σ( ゚Д゚) スッ、スゲー!!
自分も今日ハンズで素材のいんすぴれージョンを受けてきましたが今回はイマイチ
やはり素材では感じるのは難しいか・・・?
もう少しレベルを下げて100均西解くべきだったかと思う今この頃
<ちょっとニコニコ>
いつのまにか「僕と少女と宇宙船」が最終章だったので視聴、
自主制作ドラマとしては素晴らしい出来で最高の1品でした
チームの次回作に期待です
<その他>
「シャイニングスター リリィズ」で新作が発表されました
あっちのほうは手を出していませんでしたがそろそろ手を出してもいいかな・・・と思う
でもおもちゃプレイとかはナニバンドとかは・・・ね?
そのせいか授業に集中できないや(´・ω・`)
<電子工作>
とりあえずケーブルを作成したのであとは動かすだけ
プリント基板ができない以上できるようになるまで他で我慢する予定
と言うわけで先日頼んでおいた参考書で16fを一から習い直そうと思います
それとプログラムもC言語と並行してやっていくつもりです
問題は作成ソフトかな・・・
予算足りるといいんだけど
そうそう、近頃学内で「5v電源コンテスト」を行うそうです
内容は5v電源回路をどのように作れるかと言うもので上手い人はねんどろいどとかに組み込んでいるそうです
Σ( ゚Д゚) スッ、スゲー!!
自分も今日ハンズで素材のいんすぴれージョンを受けてきましたが今回はイマイチ
やはり素材では感じるのは難しいか・・・?
もう少しレベルを下げて100均西解くべきだったかと思う今この頃
<ちょっとニコニコ>
いつのまにか「僕と少女と宇宙船」が最終章だったので視聴、
自主制作ドラマとしては素晴らしい出来で最高の1品でした
チームの次回作に期待です
<その他>
「シャイニングスター リリィズ」で新作が発表されました
あっちのほうは手を出していませんでしたがそろそろ手を出してもいいかな・・・と思う
でもおもちゃプレイとかはナニバンドとかは・・・ね?
今日は今日で色々あった・・・
ポップコーンの粒かじったら奥歯が欠けた・・・
明日歯医者に行かないといけなさそうです
ついでにかみ合わせの悪いところも直そうかと
はやて×ブレードの新刊買いに行ったらぎりぎりで店閉められた・・・なんでー
ポケモンしてるためか寝不足が心配・・・(土日バイトで眠れないし)
そういえば「つぼみ」の第4号そろそろだなー
とまあこんな感じで悪い話は以上!
で、こっちは楽しい(?)話
<ソルフェージュマスターアップ+体験版公開!>
と言うわけで早速プレイ!
というか音楽ゲームが難しい!
PSPではキー配置が読み込めていたけどキーボードだと何がなにやら・・・
そろそろゲームパッドも買うべきかな・・・
(一番手軽なヤツならxbox360かなー、規格一緒だし)
シナリオも充実(新シナリオ体験しかしてないけど)で発売が楽しみです(^^ )
今回の新規シナリオ体験版
雅先輩が物凄い暴走していて面白かった~
あとソルフェージュでは珍しい露出のあるカットだったな~と内心ドキドキでしたね
はたしてまり先輩は○を○○のか!?
そして作戦の結末はいかに!?
おらぁワクワクしてきたぞ!
<電子工作>
今日ピンケーブル作ろうと思ったけどレポートがあると聞かされそれをこさえていたらいつの今にか今になりました(^^;)
正直この時間でしかできないから勘弁して欲しいです
とりあえずは10色の50cmを二本=20本は作って話はそれから、にしてみようかと
前日作ったLED回路を同期に見せたら「0Ω使っているようじゃまだまだだな」みたいなことをいれてしまいました
いやはや、手厳しい(^^;)
※ちなみに最近の予定をまとめると
11月1日
ロボチャンプ
11月6日
ブレイブ校内大会
11月20から23日
モーターショー
かな?
しばらくは共同作業で経験を貯めてオリジナルは授業が終わってからでも、と言った感じで行こうかと思います
<今日のニコニコ>
オリジナル要素がかなり強い作品
東急ハンズの素材もバカにできないからな・・・・
悔しいっ・・・でも尊敬しちゃう!(ビクンビクン)
まあ、声いれる以前にどんなゲーム作りたいかでも決まるだろうな~(遠い目)
それにしても意外と学生(高and大?)って多いんだな
いい加減な気持ちでは頼めないね
でも実際雇う場合いくらぐらいなんだろう?
売り上げの何割とかの計算かな?
いや、普通に交渉金額で雇うか・・・な?
その辺の資料も少し読んでみたいです
○興味深い同人ゲーム
横スクロールアクションゲーム
多彩なモーション技もあるのでやり応えはありそうです
らき☆すたの同人ゲームです
横スクロールアクションゲームでマップ移動が結構楽しそうです
シューティングゲーム+マウスプレイ
実績機能もあるらしく「○○を○○する」といった条件もあるみたいです
シューティングですが18禁だそうです
これって百合なの?
センサーが反応しないのだが・・・
ポップコーンの粒かじったら奥歯が欠けた・・・
明日歯医者に行かないといけなさそうです
ついでにかみ合わせの悪いところも直そうかと
はやて×ブレードの新刊買いに行ったらぎりぎりで店閉められた・・・なんでー
ポケモンしてるためか寝不足が心配・・・(土日バイトで眠れないし)
そういえば「つぼみ」の第4号そろそろだなー
とまあこんな感じで悪い話は以上!
で、こっちは楽しい(?)話
<ソルフェージュマスターアップ+体験版公開!>
と言うわけで早速プレイ!
というか音楽ゲームが難しい!
PSPではキー配置が読み込めていたけどキーボードだと何がなにやら・・・
そろそろゲームパッドも買うべきかな・・・
(一番手軽なヤツならxbox360かなー、規格一緒だし)
シナリオも充実(新シナリオ体験しかしてないけど)で発売が楽しみです(^^ )
今回の新規シナリオ体験版
雅先輩が物凄い暴走していて面白かった~
あとソルフェージュでは珍しい露出のあるカットだったな~と内心ドキドキでしたね
はたしてまり先輩は○を○○のか!?
そして作戦の結末はいかに!?
おらぁワクワクしてきたぞ!
<電子工作>
今日ピンケーブル作ろうと思ったけどレポートがあると聞かされそれをこさえていたらいつの今にか今になりました(^^;)
正直この時間でしかできないから勘弁して欲しいです
とりあえずは10色の50cmを二本=20本は作って話はそれから、にしてみようかと
前日作ったLED回路を同期に見せたら「0Ω使っているようじゃまだまだだな」みたいなことをいれてしまいました
いやはや、手厳しい(^^;)
※ちなみに最近の予定をまとめると
11月1日
ロボチャンプ
11月6日
ブレイブ校内大会
11月20から23日
モーターショー
かな?
しばらくは共同作業で経験を貯めてオリジナルは授業が終わってからでも、と言った感じで行こうかと思います
<今日のニコニコ>
オリジナル要素がかなり強い作品
東急ハンズの素材もバカにできないからな・・・・
悔しいっ・・・でも尊敬しちゃう!(ビクンビクン)
まあ、声いれる以前にどんなゲーム作りたいかでも決まるだろうな~(遠い目)
それにしても意外と学生(高and大?)って多いんだな
いい加減な気持ちでは頼めないね
でも実際雇う場合いくらぐらいなんだろう?
売り上げの何割とかの計算かな?
いや、普通に交渉金額で雇うか・・・な?
その辺の資料も少し読んでみたいです
○興味深い同人ゲーム
横スクロールアクションゲーム
多彩なモーション技もあるのでやり応えはありそうです
らき☆すたの同人ゲームです
横スクロールアクションゲームでマップ移動が結構楽しそうです
シューティングゲーム+マウスプレイ
実績機能もあるらしく「○○を○○する」といった条件もあるみたいです
シューティングですが18禁だそうです
これって百合なの?
センサーが反応しないのだが・・・
と言うわけでそろそろ「pic-c」を勉強しようかなと思って参考書を注文中、
「アセンブラでもできるもん!」と意地を張るのも大人気ないし・・・ね?
実際は他の皆も習いだしたからだけどね(^^;)
それとちゃんと基礎固めするために16fの参考書を購入(図書館では教授が借りてるorz)
これからはそういうのも買っていこうと思います
それと先日の帰省で兄のDSを借りてポケモン(ソウルシルバー)始めました~
とりあえず1番目のジムはクリアしてガンテツさんのところで休憩中~
早くみんなと勝負したいな~
ちなみに今のお気に入りはモココとゴース、それと「逃げ足」所持のイタチと主力であるマグマラシです
早くユンゲラーやブラッキーとか仲間に入れたいです~
この年になって気付いたけどラッタって何気に強いんだな~(特にゴースト)と思いました
<アニメ>
○かのこんOVA
けしからん!まったくもってけしか(ry
な内容でしたがOPとEDが憎めないほどいいんだぜ!
特にEDの曲が良かった~
CD欲しいかも?
○けいおん!のキャラソン(憂編)
もうなんというかやばいww
「公式が病気」とかいわれても仕方ないと思う
あんだけ好き好きいう歌詞もどうかと思うけどなんか憂の好き好きっぷりがたまらんぜ!
と言うわけでこっちもCD欲しい!
○ひだまりスケッチ×365 特別編
二年目かな~と思ったけど今回はその直前みたいな感じ
でもその前に卒業式の話が入るのかな、
それでもついに次回であの二人が入るんだな~と思うとアニメ開始からはや数年目、
楽しみですね
PS:何気に持ってるポケモンが全部「♀」ってどういうことなの・・・
「アセンブラでもできるもん!」と意地を張るのも大人気ないし・・・ね?
実際は他の皆も習いだしたからだけどね(^^;)
それとちゃんと基礎固めするために16fの参考書を購入(図書館では教授が借りてるorz)
これからはそういうのも買っていこうと思います
それと先日の帰省で兄のDSを借りてポケモン(ソウルシルバー)始めました~
とりあえず1番目のジムはクリアしてガンテツさんのところで休憩中~
早くみんなと勝負したいな~
ちなみに今のお気に入りはモココとゴース、それと「逃げ足」所持のイタチと主力であるマグマラシです
早くユンゲラーやブラッキーとか仲間に入れたいです~
この年になって気付いたけどラッタって何気に強いんだな~(特にゴースト)と思いました
<アニメ>
○かのこんOVA
けしからん!まったくもってけしか(ry
な内容でしたがOPとEDが憎めないほどいいんだぜ!
特にEDの曲が良かった~
CD欲しいかも?
○けいおん!のキャラソン(憂編)
もうなんというかやばいww
「公式が病気」とかいわれても仕方ないと思う
あんだけ好き好きいう歌詞もどうかと思うけどなんか憂の好き好きっぷりがたまらんぜ!
と言うわけでこっちもCD欲しい!
○ひだまりスケッチ×365 特別編
二年目かな~と思ったけど今回はその直前みたいな感じ
でもその前に卒業式の話が入るのかな、
それでもついに次回であの二人が入るんだな~と思うとアニメ開始からはや数年目、
楽しみですね
PS:何気に持ってるポケモンが全部「♀」ってどういうことなの・・・
バイトのおかげで土日が充実しています
サイクル調整が大変ですがまあそれも仕方ないと言う事で一つ
<電子工作>

半分に圧縮版

先日データを紛失した反省としてフラッシュメモリのデータをミラーリング(自動コピー)さえるように処理、
他のメモリーに対してもフォルタに対して同期できるようにしてみました
これで紛失時の被害は最小限に抑えられるはず・・・
それと研究のほうは火曜から更新しますのでお待ちを~
(そろそろSDカードリーダーも欲しいところです)
そういえばノートのCAD更新もまだだな~っと
そういえば先日16F88を6個購入
これで何かしたいな~
先輩はシリアル通信でナイトライダーとかやっていたのでそれもいいかな~
ちょwwwなにやってるんすっかw
ベースはトミーの「i-sobot」らしいですが動力源(バッテリー)を脚部に持ってくる発想が面白いです
体長が伸びるとその分足元に負担が大きくなるサーボにおいてこういう手段も一つの可能性になるのでしょうかね
<アニメ>
○まほろまてぃっく~おかえり☆ただいま~前編
最初は総集編かなと思ったけど新作成分が多くて満足しました~
流石に乳首描写は自重していましたがよくある擬似エロ成分で攻めているところもありましたが満足満足♪
そして醍醐味の戦闘シーンも大胆かつ繊細な感じが素晴らしい!
人気作として良い仕上がりです!スタッフGJ!!
Σb(>ヮ<)
後は後ほどゆっくり
サイクル調整が大変ですがまあそれも仕方ないと言う事で一つ
<電子工作>
半分に圧縮版
先日データを紛失した反省としてフラッシュメモリのデータをミラーリング(自動コピー)さえるように処理、
他のメモリーに対してもフォルタに対して同期できるようにしてみました
これで紛失時の被害は最小限に抑えられるはず・・・
それと研究のほうは火曜から更新しますのでお待ちを~
(そろそろSDカードリーダーも欲しいところです)
そういえばノートのCAD更新もまだだな~っと
そういえば先日16F88を6個購入
これで何かしたいな~
先輩はシリアル通信でナイトライダーとかやっていたのでそれもいいかな~
ちょwwwなにやってるんすっかw
ベースはトミーの「i-sobot」らしいですが動力源(バッテリー)を脚部に持ってくる発想が面白いです
体長が伸びるとその分足元に負担が大きくなるサーボにおいてこういう手段も一つの可能性になるのでしょうかね
<アニメ>
○まほろまてぃっく~おかえり☆ただいま~前編
最初は総集編かなと思ったけど新作成分が多くて満足しました~
流石に乳首描写は自重していましたがよくある擬似エロ成分で攻めているところもありましたが満足満足♪
そして醍醐味の戦闘シーンも大胆かつ繊細な感じが素晴らしい!
人気作として良い仕上がりです!スタッフGJ!!
Σb(>ヮ<)
後は後ほどゆっくり
やっちまったぜ!
やっぱりデータサブはもっといたほうがいいですね(^^;)
でもあれって何気に面倒だからな~パソコンにも負担大きいし・・・
でもこういうことはやっておかないと研究もスムーズにすすまいしな~
<ロボット・電子工作>
先日の会議で自分は二足か電子か多足かいい加減選ぶように言われました
自分としては電子工作をしているつもりでしたが・・・
あとそれならそれで順序を守れと言う事だそうです
と言うわけでこれからのPIC工作をレベル分けしてみました
○レベル1○
LED点灯
LED連灯
=ナイトライダー作成
○レベル2○
PWM(擬似CCPプログラム作成)
A/Dコンバータ使用
=サーボテスター
○レベル3○
・・・?
今はこんな感じかな
で今レベル1を練習中
とりあえず基本の待ち時間の作り方
<1Mhzに対し0.1秒の時間を作る方法>
(PICアセンブリ)
↓
STOP0:
CLRF CODE1;
CLRF CODE2;
CLRF CODE3;
CLRF CODE4;
MOVLW C'100';
MOVWF CODE1;
MOVWF CODE2;
MOVWF CODE3;
STOP1:
DECFSZ CODE1,1;
GOTO STOP1;
GOTO STOP2;
STOP2:
MOVWF CODE1;
DECFSZ CODE2,1;
GOTO STOP1:
GOTO STOP3;
STOP3:
MOVWF CODE2;
DECFSZ CODE3,1;
GOTO STOP2;
RETURN;
これで0.1秒できるはず
10M=
10×10の6乗
↓
0.1×10の-6乗
と鳴るので
100回処理×3回
=100の3乗
=10の6乗
=1M
になるかな
まあそんな感じです
<その他>
今日大須で四季先生の原画展を発見して観てきました~
フルメタとマリアしか知らない自分ですが原画の鮮やかさと大きさ、あと値段にビックリしてきました~(平均で20万以上だったかな?)
もうアニメ・漫画イラストって一種の芸術文化で歴史の一片になってるんだなと思いました
やっぱりデータサブはもっといたほうがいいですね(^^;)
でもあれって何気に面倒だからな~パソコンにも負担大きいし・・・
でもこういうことはやっておかないと研究もスムーズにすすまいしな~
<ロボット・電子工作>
先日の会議で自分は二足か電子か多足かいい加減選ぶように言われました
自分としては電子工作をしているつもりでしたが・・・
あとそれならそれで順序を守れと言う事だそうです
と言うわけでこれからのPIC工作をレベル分けしてみました
○レベル1○
LED点灯
LED連灯
=ナイトライダー作成
○レベル2○
PWM(擬似CCPプログラム作成)
A/Dコンバータ使用
=サーボテスター
○レベル3○
・・・?
今はこんな感じかな
で今レベル1を練習中
とりあえず基本の待ち時間の作り方
<1Mhzに対し0.1秒の時間を作る方法>
(PICアセンブリ)
↓
STOP0:
CLRF CODE1;
CLRF CODE2;
CLRF CODE3;
CLRF CODE4;
MOVLW C'100';
MOVWF CODE1;
MOVWF CODE2;
MOVWF CODE3;
STOP1:
DECFSZ CODE1,1;
GOTO STOP1;
GOTO STOP2;
STOP2:
MOVWF CODE1;
DECFSZ CODE2,1;
GOTO STOP1:
GOTO STOP3;
STOP3:
MOVWF CODE2;
DECFSZ CODE3,1;
GOTO STOP2;
RETURN;
これで0.1秒できるはず
10M=
10×10の6乗
↓
0.1×10の-6乗
と鳴るので
100回処理×3回
=100の3乗
=10の6乗
=1M
になるかな
まあそんな感じです
<その他>
今日大須で四季先生の原画展を発見して観てきました~
フルメタとマリアしか知らない自分ですが原画の鮮やかさと大きさ、あと値段にビックリしてきました~(平均で20万以上だったかな?)
もうアニメ・漫画イラストって一種の芸術文化で歴史の一片になってるんだなと思いました
先日、祖父の葬式で実家に戻ってきました
今でもいまいちピンと来ない感じがします
さて、気を取り直して最近の話
<電子工作>
一応構成を考え中
~ナイトライダー~
11月にあるモーターなんとかにロボット用の頭部を考え中です
使う基盤は近藤科学のKHR-1キットの操作基盤なのでPWM信号を読み込んで10度ずつの命令処理で動かせるようにしたい
外見デザインは版権に引っかからないようなオリジナルで攻めたいな(本体も考えて)
等身を考えて全体の大きさは50×50【mm/mm】、
使うledはチップで10個くらいでやってみようと思います
参考にしている動画
使ってみたいプリント基板の情報があり気になりました
さすがに画面出力はまだ出来ませんが・・・やってみたいですね(^^;)
<他の話>
2007東京モーターショー
車を観ている中「ガジェット」と「4輪モーターサイクル」が結構気になりました
普段車とか気にしない自分ですがこういった「特異」な存在には弱いんですよね~
今でもいまいちピンと来ない感じがします
さて、気を取り直して最近の話
<電子工作>
一応構成を考え中
~ナイトライダー~
11月にあるモーターなんとかにロボット用の頭部を考え中です
使う基盤は近藤科学のKHR-1キットの操作基盤なのでPWM信号を読み込んで10度ずつの命令処理で動かせるようにしたい
外見デザインは版権に引っかからないようなオリジナルで攻めたいな(本体も考えて)
等身を考えて全体の大きさは50×50【mm/mm】、
使うledはチップで10個くらいでやってみようと思います
参考にしている動画
使ってみたいプリント基板の情報があり気になりました
さすがに画面出力はまだ出来ませんが・・・やってみたいですね(^^;)
<他の話>
2007東京モーターショー
車を観ている中「ガジェット」と「4輪モーターサイクル」が結構気になりました
普段車とか気にしない自分ですがこういった「特異」な存在には弱いんですよね~
よっし!バイト終わった!
後は帰って宿題DA!
と思ったら今日の宿題は一番難しい(面倒な)材料力学!
まあ教科書の内容を参考にすればいいんだけど・・
1週間の宿題で一番面倒なのは確かです(^^;)
今日は学校→バイトの合間を縫って少し部品整理しました
何気に買ってほっておいた8PINのPIC等もあるのでそれで何か作ってみようかなと思います
<電子工作>
ナイトライダーの副産物として「インテリアな電子回路」を考えた結果
「ドットLED型電子砂時計」を考えてみました
設計の際先生に相談したところダイナミック制御が良いという話も聞きましたが今回使うのは16×16なのでそれは諦めて純粋なI/O制御でしてみようという事になりました
また一番の売りとしてジャイロセンサーで実際に反転させると逆に流れ出すプログラムも組んでみようと思います
設計図と概観予想図はマタ明日上げますのでお待ちを~
PS:
先日一人用の土鍋を買ってみました
これで冬は湯豆腐だ!
後は帰って宿題DA!
と思ったら今日の宿題は一番難しい(面倒な)材料力学!
まあ教科書の内容を参考にすればいいんだけど・・
1週間の宿題で一番面倒なのは確かです(^^;)
今日は学校→バイトの合間を縫って少し部品整理しました
何気に買ってほっておいた8PINのPIC等もあるのでそれで何か作ってみようかなと思います
<電子工作>
ナイトライダーの副産物として「インテリアな電子回路」を考えた結果
「ドットLED型電子砂時計」を考えてみました
設計の際先生に相談したところダイナミック制御が良いという話も聞きましたが今回使うのは16×16なのでそれは諦めて純粋なI/O制御でしてみようという事になりました
また一番の売りとしてジャイロセンサーで実際に反転させると逆に流れ出すプログラムも組んでみようと思います
設計図と概観予想図はマタ明日上げますのでお待ちを~
PS:
先日一人用の土鍋を買ってみました
これで冬は湯豆腐だ!
先日ロボットフォースの大会を終えて帰ってきました
詳細
今回は初大会と言う事で3人一組で製作しました
機体名:セイロ・A・ガントーイ
とはいえ手伝ったのは10%も満たないのですが(^^;)
今回初大会参加というわけでやらせてもらいましたが色々と面白かったです
あと一部大阪に進学していた先輩とも久々に会いました
次回はオリジナルで参加したいですね~
その前にロボットを作らないとダメですが(^^;)
そのためにバイト中ですが週約3回3,4時間
時給は790円ちょいなので1週間で大体6000円くらいかな?
それを半年すればまあ予算分は溜まると思います
それ以降はまた今度考えると言う事で
詳細
今回は初大会と言う事で3人一組で製作しました
機体名:セイロ・A・ガントーイ
とはいえ手伝ったのは10%も満たないのですが(^^;)
今回初大会参加というわけでやらせてもらいましたが色々と面白かったです
あと一部大阪に進学していた先輩とも久々に会いました
次回はオリジナルで参加したいですね~
その前にロボットを作らないとダメですが(^^;)
そのためにバイト中ですが週約3回3,4時間
時給は790円ちょいなので1週間で大体6000円くらいかな?
それを半年すればまあ予算分は溜まると思います
それ以降はまた今度考えると言う事で
という訳でブログ更新・・・っと
<電子工作>
今日学校が休校だったのでパパッとやってみました

とりあえず汎用を重視して各3ピン&LEDピンには保護抵抗を接続、
CCP対応ピンは別にして接続していますが電源(Vcc)はまだつけていません
またCCP3は回路の関係で接続しておらず予定では銅線で1と2があるところまで持って行き操作しようと思っています
電源端子は逆差しに注意するために差込方向が一定の端子に変更、してみましたがこの場合だとバッテリーの数で電源を調整する必要があるので注意ですね
(それの対応案として半固定抵抗で分圧する案もあります)
プログラムの練習はpikkit2のデモボードで練習中

読んだ本によるとUSB用の評価ボードもあるらしいけどまあいいかなっ・・・と
<アニメ>
「ささめきこと」観ました
詳しい感想はネタバレに鳴るので控えておきますが簡潔の述べると
ちょっと眠たいかなっ・・・と
話は淡くていいのだけど笑える部分が少ないとどうも切ない気がします
何はともあれ新刊の5巻と共に今後のアニメ表現に期待します
「超電磁砲(レールガン)」中毒ですwwww
( ゚д゚)
OP(1話でのED)が好き過ぎて聞き飽きないよ!
黒子が攻め×2キャラなのが( ・∀・)イイ!!
禁書目録も楽しかったから観始めた(元はかんなぎの後だったからついでに録画→はまるの流れだったけど)けどここまではまるとは思わなかった
JCSTAFも「いい仕事してますね~」
ん、ネタがちょっと古いか
「サンレッド第二期」
ここにも電気使い<エレクトロマスター>が(違
それにしても前期で謎だったイエローが判明とはいきなりだな~
てか将軍も向こう3人ならこっちも3人出せばいいのに・・・
いや、それは特撮(?)物のルール違反か?
まあどっちでもいいけど
何気にウサコッツの「レッド抹殺~」が殺る気が完全に相殺れてて笑ってしまいましたよ
<その他>
先日の台風
うっかり窓全開(爆)
そのせいで机代わりのダンボールが少し濡れてしまいました
しかも雨がやんだ途中コンビニ行こうとしたら道路が水没状態!
名古屋初めてだったけどまさかこうなるとは思わなかったよ!!
近いうちに長靴でも買っておこうか悩むところ
それ以前に新しい靴買わないとな・・・
かかとの後ろがこすれて痛いです(;ω;)
<小説・イラスト>
何だかんだでもう1000カウントに
という訳で何か企画でも立てていこうかと思っています
<電子工作>
今日学校が休校だったのでパパッとやってみました
とりあえず汎用を重視して各3ピン&LEDピンには保護抵抗を接続、
CCP対応ピンは別にして接続していますが電源(Vcc)はまだつけていません
またCCP3は回路の関係で接続しておらず予定では銅線で1と2があるところまで持って行き操作しようと思っています
電源端子は逆差しに注意するために差込方向が一定の端子に変更、してみましたがこの場合だとバッテリーの数で電源を調整する必要があるので注意ですね
(それの対応案として半固定抵抗で分圧する案もあります)
プログラムの練習はpikkit2のデモボードで練習中
読んだ本によるとUSB用の評価ボードもあるらしいけどまあいいかなっ・・・と
<アニメ>
「ささめきこと」観ました
詳しい感想はネタバレに鳴るので控えておきますが簡潔の述べると
ちょっと眠たいかなっ・・・と
話は淡くていいのだけど笑える部分が少ないとどうも切ない気がします
何はともあれ新刊の5巻と共に今後のアニメ表現に期待します
「超電磁砲(レールガン)」中毒ですwwww
( ゚д゚)
OP(1話でのED)が好き過ぎて聞き飽きないよ!
黒子が攻め×2キャラなのが( ・∀・)イイ!!
禁書目録も楽しかったから観始めた(元はかんなぎの後だったからついでに録画→はまるの流れだったけど)けどここまではまるとは思わなかった
JCSTAFも「いい仕事してますね~」
ん、ネタがちょっと古いか
「サンレッド第二期」
ここにも電気使い<エレクトロマスター>が(違
それにしても前期で謎だったイエローが判明とはいきなりだな~
てか将軍も向こう3人ならこっちも3人出せばいいのに・・・
いや、それは特撮(?)物のルール違反か?
まあどっちでもいいけど
何気にウサコッツの「レッド抹殺~」が殺る気が完全に相殺れてて笑ってしまいましたよ
<その他>
先日の台風
うっかり窓全開(爆)
そのせいで机代わりのダンボールが少し濡れてしまいました
しかも雨がやんだ途中コンビニ行こうとしたら道路が水没状態!
名古屋初めてだったけどまさかこうなるとは思わなかったよ!!
近いうちに長靴でも買っておこうか悩むところ
それ以前に新しい靴買わないとな・・・
かかとの後ろがこすれて痛いです(;ω;)
<小説・イラスト>
何だかんだでもう1000カウントに
という訳で何か企画でも立てていこうかと思っています
