このブログは@knight@のロボット・電子工作方面の活動を書いてるサイトです。
×
[PR]上記の広告は3ヶ月以上新規記事投稿のないブログに表示されています。新しい記事を書く事で広告が消えます。
特別補講も中盤に入りますます気合が入ってきています
さて、そんなこんだで電子工作は停止中
そんな中トランジスタアレイについて考えがいくつか
今後回路を小型化していくと仮定していくとやはり4回路だけで大して電圧・電流も出ていない回路にトランジスタアレイは少し贅沢な気がします
ということでここはあえて普通のNPNトランジスタで対応する予定です
そういえば自分は基本「秋月電子」を購入メインとして活動していますが「秋月電子」と「マルツパーツ」以外でのはあまり聞いた事がないです
もし電子部品の購入でお勧めのお店があったら教えていただけるとうれしいです
さて、そんなこんだで電子工作は停止中
そんな中トランジスタアレイについて考えがいくつか
今後回路を小型化していくと仮定していくとやはり4回路だけで大して電圧・電流も出ていない回路にトランジスタアレイは少し贅沢な気がします
ということでここはあえて普通のNPNトランジスタで対応する予定です
そういえば自分は基本「秋月電子」を購入メインとして活動していますが「秋月電子」と「マルツパーツ」以外でのはあまり聞いた事がないです
もし電子部品の購入でお勧めのお店があったら教えていただけるとうれしいです
PR
とりあえず1月も終わってしまったのでまとめ
○7セグ×4 LED
とりあえず設計図は完成、前回言っていたトランジスタアレイはTD62004Pが在庫にあったのでそれを使うことにします。
7回路入りなので少しあまりますがまあ気にしない方向で(^^;)
回路図はICSPを書き込んだらUP予定
それにしても今更ですが4桁の7セグLEDなんて何に使えばいいんだろうか・・・
ロボットの胸に時計表示でもさせる・・・?
それは・・・アリだな
○ロボット
今日数日ぶりに同じチームのメンバーと会いましたが二人ともサーボモータorロボットキット一式を買っていてビックリしました、一式の方は6万で購入したらしいですが3ヶ月程がんばったバイト代でもぜんぜん足りない(4割程雑貨で消費)のでどうしようか考え中です、
○電子工作
5V電源(レギュレータ)→LED関連(いまここ)→DCモーター制御(3月に完遂予定)→?
予定としてはこうなっていますが大学の勉強しだいでは変化するかもしれません
とりあえず今日明日から1週間は補習の予定
今日はチームで製作していた「セイロ・A・ガントーイ」の修理とフレームの修正をしました
DC/DCコンバータも使ってみたいですが自作も面白そうですね
と、今日はこの辺で
○7セグ×4 LED
とりあえず設計図は完成、前回言っていたトランジスタアレイはTD62004Pが在庫にあったのでそれを使うことにします。
7回路入りなので少しあまりますがまあ気にしない方向で(^^;)
回路図はICSPを書き込んだらUP予定
それにしても今更ですが4桁の7セグLEDなんて何に使えばいいんだろうか・・・
ロボットの胸に時計表示でもさせる・・・?
それは・・・アリだな
○ロボット
今日数日ぶりに同じチームのメンバーと会いましたが二人ともサーボモータorロボットキット一式を買っていてビックリしました、一式の方は6万で購入したらしいですが3ヶ月程がんばったバイト代でもぜんぜん足りない(4割程雑貨で消費)のでどうしようか考え中です、
○電子工作
5V電源(レギュレータ)→LED関連(いまここ)→DCモーター制御(3月に完遂予定)→?
予定としてはこうなっていますが大学の勉強しだいでは変化するかもしれません
とりあえず今日明日から1週間は補習の予定
今日はチームで製作していた「セイロ・A・ガントーイ」の修理とフレームの修正をしました
DC/DCコンバータも使ってみたいですが自作も面白そうですね
と、今日はこの辺で
>>少佐さん
指摘ありがとうございます。
他の先輩方にも相談したところダイオードは付けなくていい、抵抗だけでいいこととその辺の設計に関しては他の人の公開回路図を参考にするように、と御教授していただきました。
というわけで
以下の点を修正しました
・ICSPの逆流防止のショットキーダイオードを廃止、10k抵抗のみで
・各pinの名前を変更
・7セグLEDの部品図を変更
(②の答え)
・「電子工作の教室」の作例を参考にLED回路のカソード側にNPNトランジスタを使用
・予定ではありますがトランジスタ部分は夏に買ったはずのNPNトランジスタアレイ(4回路)で構成するかもしれません
(③の答え?)
・I2C通信のプルアップ抵抗(10k)を追加
・回路図面を大きくして見易くしました
(①の答え?)
・「16F88」の情報を変更
「MCLR」→「MCLR_」(MCLRと思ってください)

※追記:PICに付いてるコンデンサの右側が1段上になっていますが本当は1段下です
電源回路は気づいたら描いてしまっていて無い物と思ってください
完成版での電源供給は4PINのみとなります
ICSP端子も書き忘れていますが差し込み先は前回書いた端子とPICの端子先の名前と一緒です
明日から土日ですが火曜から補講があるので更新は難しくなりますので完成は11日以降になると思います
指摘ありがとうございます。
他の先輩方にも相談したところダイオードは付けなくていい、抵抗だけでいいこととその辺の設計に関しては他の人の公開回路図を参考にするように、と御教授していただきました。
というわけで
以下の点を修正しました
・ICSPの逆流防止のショットキーダイオードを廃止、10k抵抗のみで
・各pinの名前を変更
・7セグLEDの部品図を変更
(②の答え)
・「電子工作の教室」の作例を参考にLED回路のカソード側にNPNトランジスタを使用
・予定ではありますがトランジスタ部分は夏に買ったはずのNPNトランジスタアレイ(4回路)で構成するかもしれません
(③の答え?)
・I2C通信のプルアップ抵抗(10k)を追加
・回路図面を大きくして見易くしました
(①の答え?)
・「16F88」の情報を変更
「MCLR」→「MCLR_」(MCLRと思ってください)
※追記:PICに付いてるコンデンサの右側が1段上になっていますが本当は1段下です
電源回路は気づいたら描いてしまっていて無い物と思ってください
完成版での電源供給は4PINのみとなります
ICSP端子も書き忘れていますが差し込み先は前回書いた端子とPICの端子先の名前と一緒です
明日から土日ですが火曜から補講があるので更新は難しくなりますので完成は11日以降になると思います
今回使おうとしたLEDですが説明書がない分自分でアソードカソードを調べないといけないわけでしたがどうやらアソードとカソードの向きが真逆だった様です
つまりはカソード・コモンでしたというわけで
まあ両方PICのI/Oにつなげているので変更の仕様はできるのですが・・・
MCLRはとりあえずスイッチを付けて置くという方針で
MCLRが必要なかったらブラウン・アウト・リセットでリセットできるしその分そのスイッチを何かの合図に使えるかなと思う
そういえば昔見た項目にNOT回路を応用してI/Oの1PINでアノードを2本制御するというのがあったけどあれは難しいのかな?
変更後の設計図は今日の夕方にでも
フラッシュメモリ紛失で捜索中です・・・見つかり次第再開予定
つまりはカソード・コモンでしたというわけで
まあ両方PICのI/Oにつなげているので変更の仕様はできるのですが・・・
MCLRはとりあえずスイッチを付けて置くという方針で
MCLRが必要なかったらブラウン・アウト・リセットでリセットできるしその分そのスイッチを何かの合図に使えるかなと思う
そういえば昔見た項目にNOT回路を応用してI/Oの1PINでアノードを2本制御するというのがあったけどあれは難しいのかな?
変更後の設計図は今日の夕方にでも
フラッシュメモリ紛失で捜索中です・・・見つかり次第再開予定
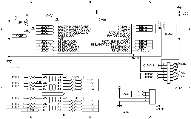
時間ができたので少し報告
使用PIC:
16F88
電源:
5.5v
目的:
7セグLED制御 × 2~4
特記:
今回使用する「TR3226J」はアノードコモンでカソード側が製品内部の二つの桁のLEDの場所が一緒になっている
今回の目標:
「ダイレクト発光制御」が必要になるのでその辺を考えてプログラムを考える
今回を通じてどれだけ表示におけるプログラム数、作成過程を省略できるか考える
そして今後電子工作に役立てるためにシリアル通信もできるようにする
(今回使うのは「C2I通信」というものを使う)
簡易内容:
今回使用するPICが18ピンなので図を描いてみると余裕が無い回路になってしまいました
余裕が絞り出せるのはMCLRと外部発振のoscの合計3本のみ
内部発振4Mhzで動かすだけなら2本というありがたい数が確保できるのですが・・・
この件に関しても動かしてみて検証してみる必要がありますね
先輩の話では発光量の問題はダイナミック点灯制御なので不足することは無いそうです
とはいえ実際に点灯しているのは一瞬でその長さに対する消灯時間が長いと点滅しているように見える可能性もあります
<回路図>

使用PIC:
16F88
電源:
5.5v
目的:
7セグLED制御 × 2~4
特記:
今回使用する「TR3226J」はアノードコモンでカソード側が製品内部の二つの桁のLEDの場所が一緒になっている
今回の目標:
「ダイレクト発光制御」が必要になるのでその辺を考えてプログラムを考える
今回を通じてどれだけ表示におけるプログラム数、作成過程を省略できるか考える
そして今後電子工作に役立てるためにシリアル通信もできるようにする
(今回使うのは「C2I通信」というものを使う)
簡易内容:
今回使用するPICが18ピンなので図を描いてみると余裕が無い回路になってしまいました
余裕が絞り出せるのはMCLRと外部発振のoscの合計3本のみ
内部発振4Mhzで動かすだけなら2本というありがたい数が確保できるのですが・・・
この件に関しても動かしてみて検証してみる必要がありますね
先輩の話では発光量の問題はダイナミック点灯制御なので不足することは無いそうです
とはいえ実際に点灯しているのは一瞬でその長さに対する消灯時間が長いと点滅しているように見える可能性もあります
<回路図>
報告遅れましたが金曜に病院で検査を受けて結果はただの風邪でした
ということで治療に専念するので予定していた電子工作はお休みします
あと今週来週はテストがあるので来週もお休みします
twitterだけはのんびりと更新しますのでよろしく
ということで治療に専念するので予定していた電子工作はお休みします
あと今週来週はテストがあるので来週もお休みします
twitterだけはのんびりと更新しますのでよろしく
昨日から妙に熱っぽかったので体温を測ると39.0度、先生いわく完全にインフルだそうです
とにかく今日は病院で薬を貰って安静にする予定
バイトとサークルには悪いけど休ませてもらいますorz
とにかく今日は病院で薬を貰って安静にする予定
バイトとサークルには悪いけど休ませてもらいますorz
今日大須へ保護抵抗などの調達とボーダーブレイクをしに行ったら変わった部品を入手
○TR3226J
2個 で200円
小型のLEDメータでアノード(+)が分けられておりカソード(-)が一緒になっているというもの
こういったものに良く使われるダイナミック点灯制御を応用したことで小型化している部品みたいです
発光量も問題ないのでこれをメインに創っていこうと思います
でも数値点が無いから上手く使わないと・・・ね
○TA7289
400円ちょいと少したかめ
16分割によるD/A変換が可能らしいモータドライバ
picなら別にccpを使えばいいかもしれないが操作の余裕が無いときとかに使ってみようと思う
でも考えればTA7291とPIC12F683を使えばコストと効率もよさそうだな
何気にこれがほしいといったとき出してくれた資料本がほしくなったりw
ボダブレは今回負けが多かったです
もう少し作戦と戦況判断力がいるな
拠点追い込まれたときはブレード+カタパルトで突撃すべきだと思った
○TR3226J
2個 で200円
小型のLEDメータでアノード(+)が分けられておりカソード(-)が一緒になっているというもの
こういったものに良く使われるダイナミック点灯制御を応用したことで小型化している部品みたいです
発光量も問題ないのでこれをメインに創っていこうと思います
でも数値点が無いから上手く使わないと・・・ね
○TA7289
400円ちょいと少したかめ
16分割によるD/A変換が可能らしいモータドライバ
picなら別にccpを使えばいいかもしれないが操作の余裕が無いときとかに使ってみようと思う
でも考えればTA7291とPIC12F683を使えばコストと効率もよさそうだな
何気にこれがほしいといったとき出してくれた資料本がほしくなったりw
ボダブレは今回負けが多かったです
もう少し作戦と戦況判断力がいるな
拠点追い込まれたときはブレード+カタパルトで突撃すべきだと思った
気を引き締めて充実した週間報告にしてみる
通電テスターができたので次は何を仕様か考え中
とりあえずはストックの部品をみると7セグled2セットが2つあるので「4桁汎用カウンター」でも作ってみようかな
現在パソコンがvistaしかないのでいつもの設計ソフトができませんので明日大学で描いてきますね
先日大学の先輩がライントレーサーの製作・講習も行うかもしれないという話があったのですが私もモータードライバの練習がてらやってみようと思います
モータドライバには良く使う「TA7291」か思い切って「TA7279」でやってみようと思っていますが一部の評価では50ms以下の高速スイッチングをする場合動作ミスが多いそうです
ならば自作Hブリッジ回路をしたほうが良いという話もありますがハードウェア(機体本体+動力部消費電力)次第になりそうです
それと放熱板が無いverのTA7291S/SGは出力電流の限界が1Aぐらい違うらしくマブチの130モータならそちらでもいけるかもしれませんね
とまあ、今日はこの辺で失礼させていただきます
ではっ!
通電テスターができたので次は何を仕様か考え中
とりあえずはストックの部品をみると7セグled2セットが2つあるので「4桁汎用カウンター」でも作ってみようかな
現在パソコンがvistaしかないのでいつもの設計ソフトができませんので明日大学で描いてきますね
先日大学の先輩がライントレーサーの製作・講習も行うかもしれないという話があったのですが私もモータードライバの練習がてらやってみようと思います
モータドライバには良く使う「TA7291」か思い切って「TA7279」でやってみようと思っていますが一部の評価では50ms以下の高速スイッチングをする場合動作ミスが多いそうです
ならば自作Hブリッジ回路をしたほうが良いという話もありますがハードウェア(機体本体+動力部消費電力)次第になりそうです
それと放熱板が無いverのTA7291S/SGは出力電流の限界が1Aぐらい違うらしくマブチの130モータならそちらでもいけるかもしれませんね
とまあ、今日はこの辺で失礼させていただきます
ではっ!
