このブログは@knight@のロボット・電子工作方面の活動を書いてるサイトです。
×
[PR]上記の広告は3ヶ月以上新規記事投稿のないブログに表示されています。新しい記事を書く事で広告が消えます。
なんだかんだでリメイクする事になりました
先日あったカワサキの大会を見ると馬力よりもスピードが必要と判断するのと転倒時の復帰、そして中央に主力アームを地面につけるように加工を行おうという事になりました
順序として
1、スピードギアのギアを最速に
2、サーボモーターの選別
3、16f88のプログラム
4、電源の選別(恐らくエネループかと)
電子回路は変更せずで先日電源装置を完成、5v以上から3v,5vを取り出すために電源は6~9くらいにすると思います
最初は箱電池を使おうと思っていましたがpicの消費電力を考える+送信機を通す課程で4~6vは確定事項
なのでこの形になりました
とまあこんな感じで

今日はコッチで久々の自炊でした
それと「茶碗蒸し」にも挑戦、
とわいえ茶碗は無いのでコップで代用、
味付けは「うどん汁の元」を使い

こんな感じになりました

1個50円だったからつい・・・
(全部チューペット(爆))
先日あったカワサキの大会を見ると馬力よりもスピードが必要と判断するのと転倒時の復帰、そして中央に主力アームを地面につけるように加工を行おうという事になりました
順序として
1、スピードギアのギアを最速に
2、サーボモーターの選別
3、16f88のプログラム
4、電源の選別(恐らくエネループかと)
電子回路は変更せずで先日電源装置を完成、5v以上から3v,5vを取り出すために電源は6~9くらいにすると思います
最初は箱電池を使おうと思っていましたがpicの消費電力を考える+送信機を通す課程で4~6vは確定事項
なのでこの形になりました
とまあこんな感じで
今日はコッチで久々の自炊でした
それと「茶碗蒸し」にも挑戦、
とわいえ茶碗は無いのでコップで代用、
味付けは「うどん汁の元」を使い
こんな感じになりました
1個50円だったからつい・・・
(全部チューペット(爆))
PR
といってももう二日も経ってるけどね!
とりあえずありのままを話す(re
先日カラオケへ練習しに行きました
初めて兄弟と行ったとき
「おめぇ本当に下手だな」
といわれたからです
だって一人だったら普通は行かないし!
行くような友達いないというか来てくれないと思うし!
という訳で「まねきねこ」で入会ついでに歌ってきました
それにしても夏休み期間増額ってマジかよ・・・
まあそれでも二時間は歌ってきましたが
なんと途中「チルノのさんすう教室」がヴォリュームMAXで流れ出した時は一瞬心霊現象かと思い驚きましたw
(↑選択してないのに流れ出してびびった)
基本アニソンでしたが「北風と太陽」辺りは歌ってきました
次は「アルマゲドン」の主題歌「I DON'T WANT TO MISS A THING」辺り歌いたいな
あとAC大会も近いのでこの辺で
詳細は明日に
とりあえずありのままを話す(re
先日カラオケへ練習しに行きました
初めて兄弟と行ったとき
「おめぇ本当に下手だな」
といわれたからです
だって一人だったら普通は行かないし!
行くような友達いないというか来てくれないと思うし!
という訳で「まねきねこ」で入会ついでに歌ってきました
それにしても夏休み期間増額ってマジかよ・・・
まあそれでも二時間は歌ってきましたが
なんと途中「チルノのさんすう教室」がヴォリュームMAXで流れ出した時は一瞬心霊現象かと思い驚きましたw
(↑選択してないのに流れ出してびびった)
基本アニソンでしたが「北風と太陽」辺りは歌ってきました
次は「アルマゲドン」の主題歌「I DON'T WANT TO MISS A THING」辺り歌いたいな
あとAC大会も近いのでこの辺で
詳細は明日に
この土日が終わったら名古屋に戻る予定です
親が持って帰ってきた荷物を宅配で送った方が良いと言っていますが折角キャリヤーがあるのでそのまま持って帰ろうかと
戻ったら本格的に開発を始めるつもりです
と言うわけでこっちに来て作った電子回路




あと第3層の電源回路と接続ケーブルを作って繋げれば完成だと思います
モーター操作回路の半田付けが思った以上に難航したことと半田ごてののりがとても悪いところが難しかったかな
あとは電源回路と16f88のプログラムを構成して完成になるはずです
A/Dコンバーターで+Vrefを使うか考えましたが折角3端子レギュレーターを使うのでそっちを使おうと思っています
電源回路では3,5Vのレギュレーター回路を作りその後に各端子への送電を計画していて電源は6P電池と単3電池で行おうかと思っています
大会は9月13日、そろそろ稼働練習に入らないとまずそうですね(^^;)
ああ、過去のトラウマが・・・orz
<その他>
今週はアニメがほとんどお休みで残念です
と言うわけで友人と一緒にもう一度「サマーウォーズ」を見に行ってきました
やっぱりキングカズマかっこいいね
あとBGMも良かった~サントラ出たら買おうかな、柄じゃないけど
そうそう、右の方に「新着情報」欄を作製してみました
まあ自分が覚えておくようですが・・・
間違っていても直っていないかもしれないのであしからず
そろそろ大会用ACも作らないと・・・
一応2脚重装、2脚EO主体、2脚汎用、タンク、逆足かな
あとカラーリングとエンブレム(←重要)も作らないと・・・
個人の趣味でEN兵器の一つは使いたい(EO込みで)
あとキーもデフォに直してパージ出来るように練習中です
まあそれ前提の構成は使わないと思うけど・・・
タンクは装甲強化で熱量に注意で強制冷却装置を付けて対応しようかと
個人的な見解で
軽量→正確な射撃と距離稼ぎ
重装→旋回で翻弄
タンクなどのキャノン→熱力攻撃のあとごり押し
になるとおもいます
復刻版のハンドガンも使いやすいし
ハンドガンで足止めしながらEO当てると結構効率いいいんだよな~
まあそんな感じで
次は名古屋で更新しますね~
親が持って帰ってきた荷物を宅配で送った方が良いと言っていますが折角キャリヤーがあるのでそのまま持って帰ろうかと
戻ったら本格的に開発を始めるつもりです
と言うわけでこっちに来て作った電子回路
あと第3層の電源回路と接続ケーブルを作って繋げれば完成だと思います
モーター操作回路の半田付けが思った以上に難航したことと半田ごてののりがとても悪いところが難しかったかな
あとは電源回路と16f88のプログラムを構成して完成になるはずです
A/Dコンバーターで+Vrefを使うか考えましたが折角3端子レギュレーターを使うのでそっちを使おうと思っています
電源回路では3,5Vのレギュレーター回路を作りその後に各端子への送電を計画していて電源は6P電池と単3電池で行おうかと思っています
大会は9月13日、そろそろ稼働練習に入らないとまずそうですね(^^;)
ああ、過去のトラウマが・・・orz
<その他>
今週はアニメがほとんどお休みで残念です
と言うわけで友人と一緒にもう一度「サマーウォーズ」を見に行ってきました
やっぱりキングカズマかっこいいね
あとBGMも良かった~サントラ出たら買おうかな、柄じゃないけど
そうそう、右の方に「新着情報」欄を作製してみました
まあ自分が覚えておくようですが・・・
間違っていても直っていないかもしれないのであしからず
そろそろ大会用ACも作らないと・・・
一応2脚重装、2脚EO主体、2脚汎用、タンク、逆足かな
あとカラーリングとエンブレム(←重要)も作らないと・・・
個人の趣味でEN兵器の一つは使いたい(EO込みで)
あとキーもデフォに直してパージ出来るように練習中です
まあそれ前提の構成は使わないと思うけど・・・
タンクは装甲強化で熱量に注意で強制冷却装置を付けて対応しようかと
個人的な見解で
軽量→正確な射撃と距離稼ぎ
重装→旋回で翻弄
タンクなどのキャノン→熱力攻撃のあとごり押し
になるとおもいます
復刻版のハンドガンも使いやすいし
ハンドガンで足止めしながらEO当てると結構効率いいいんだよな~
まあそんな感じで
次は名古屋で更新しますね~
3つでは心配だったので4つに変更しました



台形ではなくなっている部分が気になりますがまあ大丈夫かなと思う
電子回路は電源回路とモータードライバを制作中
思えばドライブ回路1つで受信機のサーボ2つを変換するので残ったもう一つをどうしようかな
ブレードでも付けて操作してみようかな
絵に描くとこんな感じで

電子回路はこんな感じで

ジャンパー線がすごいこんがらがっているけど最悪盛りそばは避けたい
そういえば最初に電子回路作ったときは盛りそば全開だったな~
それにしてもいきなり7セグLEDと16f629の回路を作れなんて先生も人が悪かったな~
しかもその後教えられた言語もちんぷんかんぷんでほったらかしにされたし~
今では良い思い出です
今日はこんな感じで
<その他>
「咲-saki-」やっと追いつきました(20話)
麻雀は何やってるかよく分かりませんでしたがw
それにしても地方大会だけで1クールまるまる使ってきましたね
20話は休憩か水着な回でしたし
たぶんここから下り坂入って2期に持ち越しになるのでしょうか?
気になるところです
残り多くて6話・・・個人戦はどうなるかな?
PS:個人的にステルスモモが良い味出してるね
PS2:
なぜその発想になったwww→(ジャバー)
台形ではなくなっている部分が気になりますがまあ大丈夫かなと思う
電子回路は電源回路とモータードライバを制作中
思えばドライブ回路1つで受信機のサーボ2つを変換するので残ったもう一つをどうしようかな
ブレードでも付けて操作してみようかな
絵に描くとこんな感じで
電子回路はこんな感じで
ジャンパー線がすごいこんがらがっているけど最悪盛りそばは避けたい
そういえば最初に電子回路作ったときは盛りそば全開だったな~
それにしてもいきなり7セグLEDと16f629の回路を作れなんて先生も人が悪かったな~
しかもその後教えられた言語もちんぷんかんぷんでほったらかしにされたし~
今では良い思い出です
今日はこんな感じで
<その他>
「咲-saki-」やっと追いつきました(20話)
麻雀は何やってるかよく分かりませんでしたがw
それにしても地方大会だけで1クールまるまる使ってきましたね
20話は休憩か水着な回でしたし
たぶんここから下り坂入って2期に持ち越しになるのでしょうか?
気になるところです
残り多くて6話・・・個人戦はどうなるかな?
PS:個人的にステルスモモが良い味出してるね
PS2:
なぜその発想になったwww→(ジャバー)
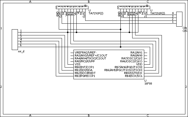
今日電子部分の第1層を作製、

出来ればスイッチをプッシュスイッチにしたかったけど無かった+面積的に無理だったので機械的スイッチの3Pスイッチで構成
端子を4つ×2に分けたのは片方が電源回路、もう片方をモータードライバ回路に接続する予定です
<その他>
作業しながらですが「咲-saki-」を観ています
とりあえず12話まで見ましたがここまで来ると続きが気になって来ます。いろんな意味で(^^;)
あんまりノベマス系は見ていませんがこのネタは観ていて楽しかった
さてあずささんは2回目何時出てくるかな・・・
やっと完結・・・もう1年か、思えば長かったな~
次回作のために買っておくか
難しいね、ロボットの道も
出来ればスイッチをプッシュスイッチにしたかったけど無かった+面積的に無理だったので機械的スイッチの3Pスイッチで構成
端子を4つ×2に分けたのは片方が電源回路、もう片方をモータードライバ回路に接続する予定です
<その他>
作業しながらですが「咲-saki-」を観ています
とりあえず12話まで見ましたがここまで来ると続きが気になって来ます。いろんな意味で(^^;)
あんまりノベマス系は見ていませんがこのネタは観ていて楽しかった
さてあずささんは2回目何時出てくるかな・・・
やっと完結・・・もう1年か、思えば長かったな~
次回作のために買っておくか
難しいね、ロボットの道も
15日に急用で10日間ほど実家に帰省しています
本当に急だったので研究材料とロボット部品、さらに勉強道具も持ち出したので運びが軽く死にかけましたorz
帰りは車使いたいな、マジで
先ほど「東のエデン」を見ていました
何というか久々に塗りつぶしのモザイクがあるアニメを見たな~w
でもいろいろと斬新でかっこ良かった
最初11話で終わるのか~と思っていたらまさかの劇場版予告に驚きですよ~
それにしてもリリカルなのはといいマクロスと言いガンダムといい、劇場版シーズンだな~本当に
空の境界ももうすぐ完結だしそっちも楽しみです
先日の電子工作もこっちで終えるつもりなので完成したら更新しますね
それにしても田舎の方が涼しいぜ~(^^;)
なのはと言うとなのはのゲーム版のプロモ映像を見てみましたがなかなか楽しそうですね
クロスレンジとかなのはさんの射撃チャージを見るとほとんどチャージが無いみたいなのでこれはよそう以上に高速戦闘になりそうです(ゴクリ)
近頃絵チャしていての1枚
そういえば小説全然書いてないな~
何というかキーボードより携帯の方が書きやすいんだよな~なぜか
そういえばチャットして気づいたけど「ソルフェージュ」ってあんまり知名度無いんだな~少しショックでした
さて今日は電子工作とロボットを完成させるぞ~
本当に急だったので研究材料とロボット部品、さらに勉強道具も持ち出したので運びが軽く死にかけましたorz
帰りは車使いたいな、マジで
先ほど「東のエデン」を見ていました
何というか久々に塗りつぶしのモザイクがあるアニメを見たな~w
でもいろいろと斬新でかっこ良かった
最初11話で終わるのか~と思っていたらまさかの劇場版予告に驚きですよ~
それにしてもリリカルなのはといいマクロスと言いガンダムといい、劇場版シーズンだな~本当に
空の境界ももうすぐ完結だしそっちも楽しみです
先日の電子工作もこっちで終えるつもりなので完成したら更新しますね
それにしても田舎の方が涼しいぜ~(^^;)
なのはと言うとなのはのゲーム版のプロモ映像を見てみましたがなかなか楽しそうですね
クロスレンジとかなのはさんの射撃チャージを見るとほとんどチャージが無いみたいなのでこれはよそう以上に高速戦闘になりそうです(ゴクリ)
近頃絵チャしていての1枚
そういえば小説全然書いてないな~
何というかキーボードより携帯の方が書きやすいんだよな~なぜか
そういえばチャットして気づいたけど「ソルフェージュ」ってあんまり知名度無いんだな~少しショックでした
さて今日は電子工作とロボットを完成させるぞ~
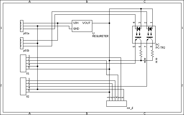
前回話した「A/Dコンバータによる回路小型化」ですが
上手く行けそうです

とまあこんな感じで
端子の数も問題ないようなのでこれで製作に取り掛かろうと思います
*'``・* 。
| `*。
,。∩ *
+ (´・ω・`) *。+゜ もうどうにでもなーれ
`*。 ヽ、 つ *゜*
`・+。*・' ゜⊃ +゜
☆ ∪~ 。*゜
`・+。*・ ゜
<その他>
「その花びらにくちづけを」がアニメ化するそうです~
主題は「あなたと恋人つなぎ」なので玲緒と麻衣のお話ですね
私としても「恋人つなぎ」はほど良い甘さでいい百合作品だと思います
詳しくはコチラのニュースで→こちら
そろそろドラマCD買いに行かないとな~
あと同人誌(総集編)も
(でも乱丁あるみたいだしどうしようかな~)
それにしてもアニメ化か・・・「少女セクト」以来だな~♪
楽しみ~>ヮ<
上手く行けそうです
とまあこんな感じで
端子の数も問題ないようなのでこれで製作に取り掛かろうと思います
*'``・* 。
| `*。
,。∩ *
+ (´・ω・`) *。+゜ もうどうにでもなーれ
`*。 ヽ、 つ *゜*
`・+。*・' ゜⊃ +゜
☆ ∪~ 。*゜
`・+。*・ ゜
<その他>
「その花びらにくちづけを」がアニメ化するそうです~
主題は「あなたと恋人つなぎ」なので玲緒と麻衣のお話ですね
私としても「恋人つなぎ」はほど良い甘さでいい百合作品だと思います
詳しくはコチラのニュースで→こちら
そろそろドラマCD買いに行かないとな~
あと同人誌(総集編)も
(でも乱丁あるみたいだしどうしようかな~)
それにしてもアニメ化か・・・「少女セクト」以来だな~♪
楽しみ~>ヮ<
AC3してたらバッテリーがピンチになって充電器さしたらリセットされてた~
せっかくロイヤルミストを非強化で倒したのに~
「逃亡者追撃」の隠しパーツ取ったのに~
「ブースタ:fleet」のパーツ取ったのにー
辛いです
せっかくロイヤルミストを非強化で倒したのに~
「逃亡者追撃」の隠しパーツ取ったのに~
「ブースタ:fleet」のパーツ取ったのにー
辛いです
<ブレイブ>
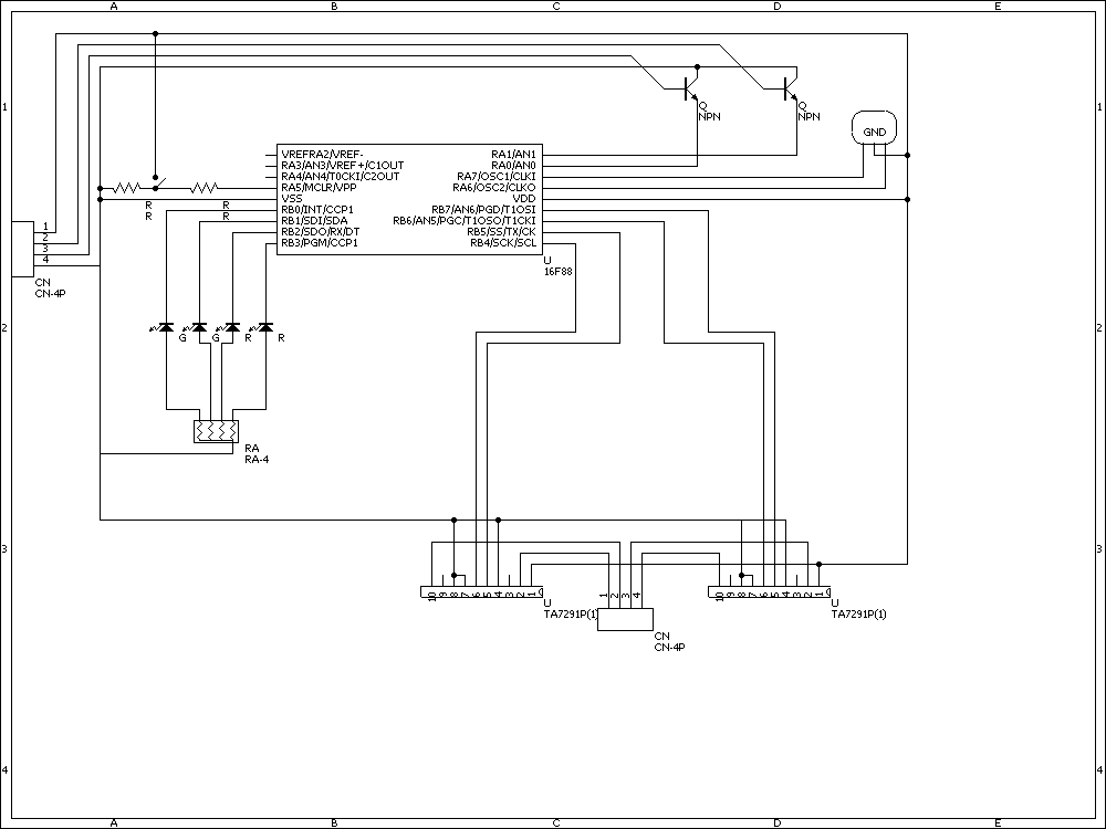
とりあえず電子回路図完成



PWMの読み込みは二重割り込みを考えてPICを分割、その後信号を斜め移動を想定してもう一つのPICで処理してモータードライバへと考えてみました
使用する基板がユニバーサル片面のUP-204なのでスペースを考えてこの形になりました
もう少し大きい基盤を使うならば全てまとまられるかもしれないけど・・・難しいな
次はプランBの「A/Dコンバータによる回路省略」を考えてみようと思います
ではでは(`・ω・´)ノシ
<その他>
前に紹介した「ソルフェージューsweet hurmonyー」ですが追加シナリオ入りの「ソルフェージューLa finaleー」がでるそうです
さらに曲の追加もあり更にはシナリオの追加・・・もしや「あの人」のルートも!?と思うとちょっと楽しみです
機種はPCゲームなので楽しみです
とりあえず電子回路図完成
PWMの読み込みは二重割り込みを考えてPICを分割、その後信号を斜め移動を想定してもう一つのPICで処理してモータードライバへと考えてみました
使用する基板がユニバーサル片面のUP-204なのでスペースを考えてこの形になりました
もう少し大きい基盤を使うならば全てまとまられるかもしれないけど・・・難しいな
次はプランBの「A/Dコンバータによる回路省略」を考えてみようと思います
ではでは(`・ω・´)ノシ
<その他>
前に紹介した「ソルフェージューsweet hurmonyー」ですが追加シナリオ入りの「ソルフェージューLa finaleー」がでるそうです
さらに曲の追加もあり更にはシナリオの追加・・・もしや「あの人」のルートも!?と思うとちょっと楽しみです
機種はPCゲームなので楽しみです
