このブログは@knight@のロボット・電子工作方面の活動を書いてるサイトです。
×
[PR]上記の広告は3ヶ月以上新規記事投稿のないブログに表示されています。新しい記事を書く事で広告が消えます。
え?夏休み終わり?
(ノ∀`)
まあ楽しめたしいいか
近頃暇だったし
それはそうと近頃資格取得を行おうと模索している今日この頃
できれば「危険物乙4」はとっておきたいですね
後は・・・「TOEIC」も受けておかないとね
アレは意外と就活で使えるとか
<ロボット>
下半身は大体完成、
後は腕の作成ですが自分板金するだけなのでデザインなどは仲間に任せています
個人的には正面で殴りあうロボットを作りたい今日この頃
電子工作も並行作業で「PCBE」の練習を開始
最初は非感光基板をペン書きしてエッチング・・・って流れにする予定です
でも何つくろうかな
試作予定の「8軸サーボ4脚」の制御回路+電源回路でも作ってみようかな
(ノ∀`)
まあ楽しめたしいいか
近頃暇だったし
それはそうと近頃資格取得を行おうと模索している今日この頃
できれば「危険物乙4」はとっておきたいですね
後は・・・「TOEIC」も受けておかないとね
アレは意外と就活で使えるとか
<ロボット>
下半身は大体完成、
後は腕の作成ですが自分板金するだけなのでデザインなどは仲間に任せています
個人的には正面で殴りあうロボットを作りたい今日この頃
電子工作も並行作業で「PCBE」の練習を開始
最初は非感光基板をペン書きしてエッチング・・・って流れにする予定です
でも何つくろうかな
試作予定の「8軸サーボ4脚」の制御回路+電源回路でも作ってみようかな
PR
銀魂ばっかりなのもなんので「ハルヒ」を1話から視聴中
とはいえ流石に「エンドレスエイト」がきつすぎるwwww
なんか・・・もう・・・はい、ノイローゼになりそう___orz
これ8話もさせると流石にきつすぎる
それにしても300年分繰り返しておきながらキョンは1度も囁かなかったのは必然なのだろうか
それともそれでもピリオドにならなかったのだろうか
というわけで明日から「溜息」突入です
とはいえ流石に「エンドレスエイト」がきつすぎるwwww
なんか・・・もう・・・はい、ノイローゼになりそう___orz
これ8話もさせると流石にきつすぎる
それにしても300年分繰り返しておきながらキョンは1度も囁かなかったのは必然なのだろうか
それともそれでもピリオドにならなかったのだろうか
というわけで明日から「溜息」突入です
SW中は部室も開いてないので部屋でニコニコしています
あと「星蓬船」と「princess drowr!」もやっています
それはそうと近頃の話題を
<⑨月⑨日>
去年もやっていたけど今年もいいレベルで盛り上がっていたね
⑨月1⑨日祭りもしてたけどそっちは興味なし
<毛利小五郎役の神谷明さん降板>
いきなりだな~と思いつつ跡継ぎは誰になるんだろうな~
<ブレイクブレイドアニメ化>
ロボット物として原作見ていたけど果たしてどこまでいけるかな・・・
<クレしんの作者さん死亡>
まさかの事故死に衝撃を隠せません
伝説の幕引きがこんな形になるなんて誰が予想しただろうか・・・
この場を借りてご冥福をお祈りいたします
<マリみてドラマCD企画続行中>
マリア様がみてるドラマCD企画で「レイニーブルー」がドラマCD化するそうです
そういえば原作買っていないな~
そろそろ読み始めようかな
同人でもアニメより先の話を書いてるものも多いし・・・ね?
<ソルフェージュ-ラ・フィナーレ- 製作は順調?>
ブログを見る限りなかなか楽しそうな展開になりそうです
そして念願(?)の雅ルート発生の兆しも!?
あと琴美さん役のインタビューでの
「もぐりこむ」
というのを聞くだけでもうどうなるか楽しみですよ!
そういえば初回版に今回収録される曲のFULLを入れるそうでそちらを買おうか悩みどころです><
それとそれと右のサポーター枠に入れておきました
「ソルフェージュ」を応援したいという方はサイトのほうで登録して行ってね!
あと「星蓬船」と「princess drowr!」もやっています
それはそうと近頃の話題を
<⑨月⑨日>
去年もやっていたけど今年もいいレベルで盛り上がっていたね
⑨月1⑨日祭りもしてたけどそっちは興味なし
<毛利小五郎役の神谷明さん降板>
いきなりだな~と思いつつ跡継ぎは誰になるんだろうな~
<ブレイクブレイドアニメ化>
ロボット物として原作見ていたけど果たしてどこまでいけるかな・・・
<クレしんの作者さん死亡>
まさかの事故死に衝撃を隠せません
伝説の幕引きがこんな形になるなんて誰が予想しただろうか・・・
この場を借りてご冥福をお祈りいたします
<マリみてドラマCD企画続行中>
マリア様がみてるドラマCD企画で「レイニーブルー」がドラマCD化するそうです
そういえば原作買っていないな~
そろそろ読み始めようかな
同人でもアニメより先の話を書いてるものも多いし・・・ね?
<ソルフェージュ-ラ・フィナーレ- 製作は順調?>
ブログを見る限りなかなか楽しそうな展開になりそうです
そして念願(?)の雅ルート発生の兆しも!?
あと琴美さん役のインタビューでの
「もぐりこむ」
というのを聞くだけでもうどうなるか楽しみですよ!
そういえば初回版に今回収録される曲のFULLを入れるそうでそちらを買おうか悩みどころです><
それとそれと右のサポーター枠に入れておきました
「ソルフェージュ」を応援したいという方はサイトのほうで登録して行ってね!
昼頃から寝ようと思っていたら先輩方にカラオケに誘われ6時間ほど歌い狂ってきました
できれば百合ソン歌いたかったけどちょっと控えめに歌っておきました(^^;)
一応映画「アルマゲドン」の主題歌でエアロスミスさんの「I Dont ~」を歌ってきました
それにしても洋楽の一つは歌えるようにしないとな~
皆さんはどうなんでしょうか?
<ニコニコ>
久々の登場~
それにしても戦闘描写の演出の腕が格段に上がってきてやがるぜ・・・(ゴクリ)
果たして千早と閣下は銃を向け合う事になるのだろうか・・・
そしてイワンの命はいかに(マテ
できれば百合ソン歌いたかったけどちょっと控えめに歌っておきました(^^;)
一応映画「アルマゲドン」の主題歌でエアロスミスさんの「I Dont ~」を歌ってきました
それにしても洋楽の一つは歌えるようにしないとな~
皆さんはどうなんでしょうか?
<ニコニコ>
久々の登場~
それにしても戦闘描写の演出の腕が格段に上がってきてやがるぜ・・・(ゴクリ)
果たして千早と閣下は銃を向け合う事になるのだろうか・・・
そしてイワンの命はいかに(マテ
そろそろ気分が落ち着いてきた今日この頃
いまはサークルでロボファイト用のロボットを作っています
でも板金の加工ミスが多いので上手く行くか微妙です(^^;)
まあ設計図もできてるし板金するだけなので間に合わない事は無いかなっと
電子回路は18Fを使ったサーボ回路を作ろうかなと思っていますが完成はいつになるかな
<その他>
近頃「銀魂」にはまっています
一応柳生編まで見たけどまだ半分~♪
それともうすぐアニメも最終回入ってますね
次のクールは何があるかな~
という訳で参考に↓
あと→にサポーター窓も作ってみました
興味があったらどうぞ
いまはサークルでロボファイト用のロボットを作っています
でも板金の加工ミスが多いので上手く行くか微妙です(^^;)
まあ設計図もできてるし板金するだけなので間に合わない事は無いかなっと
電子回路は18Fを使ったサーボ回路を作ろうかなと思っていますが完成はいつになるかな
<その他>
近頃「銀魂」にはまっています
一応柳生編まで見たけどまだ半分~♪
それともうすぐアニメも最終回入ってますね
次のクールは何があるかな~
という訳で参考に↓
あと→にサポーター窓も作ってみました
興味があったらどうぞ
もう使えないというので
回路を見るとどうやらモータドライブICは使っていない様子
それにしても凄い密集率で驚き
(両面表面実装に二重の回路構造!!)
基本ピッチ幅も半分を基準にしているみたいです。すげー
少し前に先輩が紹介していたモータードライブの回路に近いと思う
でもFETは小型化できないみたいですねそれとも破損前提で
破損するしやすい=入手しやすい規格で=別に小さく無くていい
なかんじなのでしょうか
まあそれならコッチもそんな感じにしておけばいいかなっと
一応今後の課題をまとめると
・自作モータードライブ回路
→表面実装回路の作成
・18F××PICの使用回路
・二足歩行ロボット作成
まあこんな感じかな
もうすぐ大学も始まるしそろそろ予習勉強しようかな
今日の深夜夜行バスで東京に向かいます
そう,「ブレイブ」です(^^;)
今回初参加でちょっと心配でしたがなんとかなってよかったです
とはいえ
自作アンプ失敗!
は今後の大きな課題になるだろうなと思います
来年は今回使用したアンプ並みに小さく出来るようにがんばりたいです(^^;)
そういえば友人に聞かれたのですが
「一体何がしたいんや?」
って
正直,自分としては「自分の作品が役に立つところかなと思います」
これからはニコティーIn名古屋に参加できそうなものを作ろうと思います
そう,「ブレイブ」です(^^;)
今回初参加でちょっと心配でしたがなんとかなってよかったです
とはいえ
自作アンプ失敗!
は今後の大きな課題になるだろうなと思います
来年は今回使用したアンプ並みに小さく出来るようにがんばりたいです(^^;)
そういえば友人に聞かれたのですが
「一体何がしたいんや?」
って
正直,自分としては「自分の作品が役に立つところかなと思います」
これからはニコティーIn名古屋に参加できそうなものを作ろうと思います
今週に入ってから3回ほど徹夜しています
ブレイブのロボットは予定を大きく変更しながらも順調に製作中
問題はプログラム、16f88か16f84Aで構成予定ですが残り二日で完成できるか不安です
12日はゆっくり眠りたいところです(´・ω・`)
じゃあ今日はこの辺で
ブレイブのロボットは予定を大きく変更しながらも順調に製作中
問題はプログラム、16f88か16f84Aで構成予定ですが残り二日で完成できるか不安です
12日はゆっくり眠りたいところです(´・ω・`)
じゃあ今日はこの辺で
正直、弱っています
今起きている状態
・プログラム、アームが手付かず
・電子回路で電源回路は正常なのにPICの出力が電電と一致しない
・それ故かモーターが機能しない事態に
・あと途中エネループから煙が発生
という訳で完全に作り直しです
(TへT)
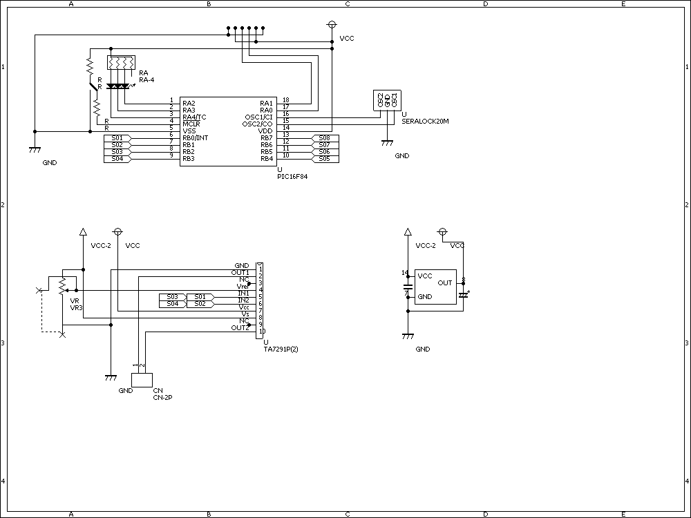
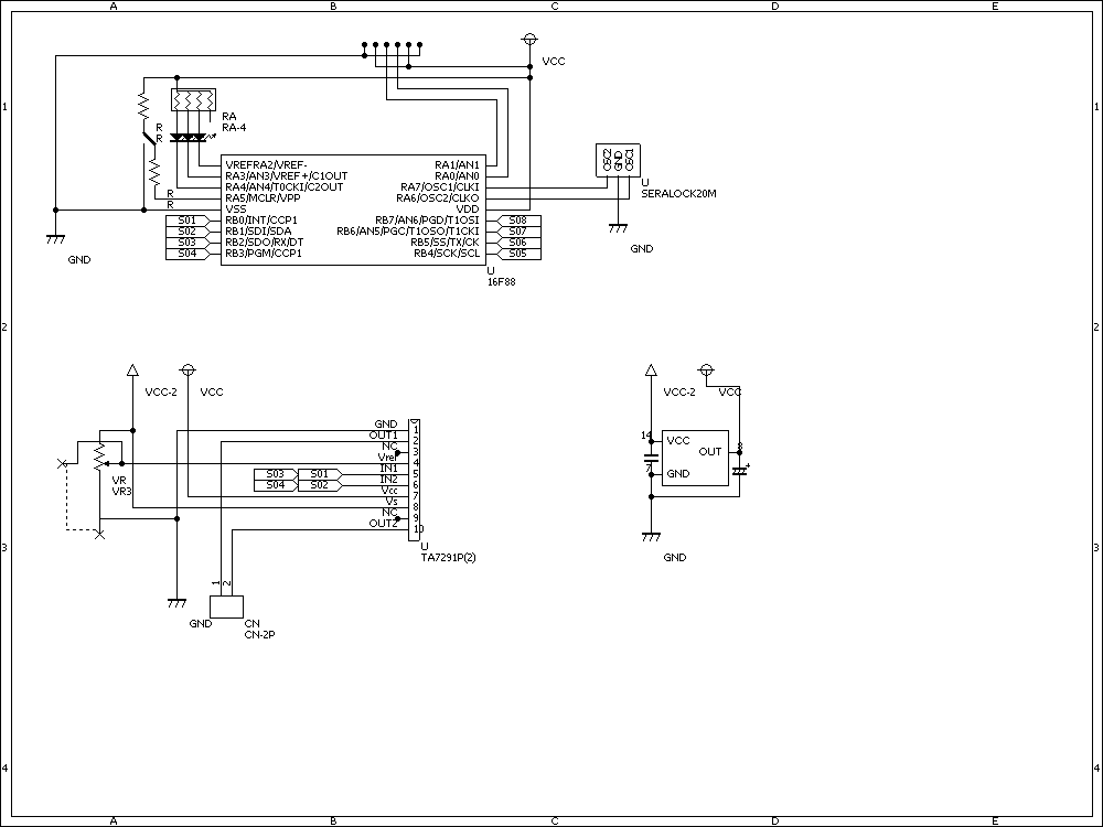
とりあえず設計図
これは16f88用、
ledのモニタリングは両方が安全な時に緑を発光させる回路にします
でこっちは16F84A用、
コッチでしたら必要なレジスタも少ないので結構楽になるかも・・・?
実体配線をしますが今回は「基板1枚」になるように設計してみます
あと前回紹介した本体ですが前回の大会でクローターを破壊された試合があったとかで対抗策としてキャタピラを二本にしてみました
試験機(キャタピラ3本)の調査では3本目(最外周)が中心に比べて緩んでいる事が発生、二本が適正だという事になりました
とまあこんな感じです
今から電子回路の実体配線図を書いたら寝ようと思います
では、
